隔膜式真空阀的结构与原理
2020-04-26 真空技术网整理 阀门手册
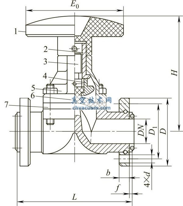
隔阂式机械泵度系统阀是回收利用阀杆将生橡胶隔阂直接的压在阀球上,用作截至或无法接通热空气。它常装在被抽机械泵度系统干净的器皿与各式低机械泵度系统泵期间。典型案例的隔阂式机械泵度系统阀空间结构图如下图已知1已知。

阀门主体采用铝合金铸造。结构简单、质量轻、体积小,密封性能良好。采用丁腈橡胶的隔膜真空阀,用于前级和预抽低真空管道上及温度-25~80℃的非腐蚀性气体。采用氟橡胶的隔膜真空阀,可用于高真空系统,使用温度范围为-30~150℃。














针阀的气味流通业线路上如何设置有小的孔口,控制针状封好轴和孔口的距
电动球阀几何图英文符号是对电动球阀简便的几何图标出来,常见应用在制图等的领域。电动球阀
改进建议了原产电磁振动器能阀的的设定方式,再的设定了新型的多位三通管件大用户电磁振动器能
本篇文章分析了氟胶圈角阀和全五金角阀的工作任务设计原理极其架构提醒图。
旁通液压油泵掌握泄压阀进行安装在副经理道中断回阀口侧的旁通管路上,与
放气阀是向正空腔身体内部引入空气,以损坏正空的管道阀门(图1)。专门针对超
情况不不平衡量量蝶阀的任务操作过程
情况不不平衡量量蝶阀的空间结构操作过程图和任务操作过程是
电磁波炉阀是电磁波炉磁圈通电后引发种子链接引人注意应对大弹簧的阻力推动阀芯工作
可以调节螺丝钉能弥补阀芯高压闸阀密封性能面的磨损情况, 阀芯有定的活动形式度能弥补