基于Pro/E的轴承架翻转式钻模设计
针对于中上一键事业滚柱轴承架子上相互间保持竖直的表层层上的6个孔,方案的概念两个多种摆动式铣床车床冲压模具(钻模)。传统化的手段是方案的概念2套车床冲压模具,当事业完两个表层层上的孔时应要在另做一款车床冲压模具上从新装夹钢件的,产生吸收率低。为刻服此故障,在车床冲压模具毛重不增高的症状下方案的概念做一款铣床车床冲压模具,时需进行2套车床冲压模具的事业,还有就是钢件的一个装夹,防范了因重叠装夹而产生的出现偏差的原因,可以减少了车床冲压模具的修改时期。 专门工具治具就是种为高的英语一键以及上面生产工艺制造制造的某些车辆界面的某些多种工序而设置的生产工艺制造工艺史诗装备。因Pro/E就是套设置至生产工艺制造制造全的时候自动的化的厂家手机app,就是个车辆技术指标化、广泛适中用的特点的线下实体化店外观装修设定的概念方案构思模式,和更具分散化大数据表功能表,能简单地有其中线下实体化店的图形车辆技术指标、摇动惯量及容易受力的受力运动学性能指标等,就能够非常好地顺应新治具的设置与的开拓。因为这,中国外大多数学术界将Pro/E手机app广泛适用到专门工具治具设置中。刘冬梅,陈冰冰广泛适中用Pro/E确定组合成治具设置及成分具体定性分析,即时遇到了设置中会出现的障碍,做到车辆界面的粗处理高精度和从而提高经济发展高效益。马国城采取Pro/E手机app组建了电容(电贮罐)器氧化反应处理处理治具元器件的线下实体化店仿真模型,并在这种基础理论上做好治具厂家成分的虚拟网络现实配置图和涉及抽样检查,极大减小了车辆的开拓周期性。陈浩就Pro/E在算出机外挂治具设置中的新广泛适用确定没事定的深入定性分析和深入探索,并设置了液压多路阀泵上体3个阶梯式孔的花盘式处理中心专门工具治具。方坤礼,蒋晓英广泛适中用Pro/E手机app,以粗处理拖架斜孔的精度等级钻模试对具体定性分析了算出机外挂虚拟网络现实配置图的某个的时候,达标快捷设置机器专门工具治具的需求。Ras Mathew Y,Gowtham J广泛适中用Pro/E手机app设置了中用齿轮的切槽及锪孔治具,极大较低了生产工艺制造制造资金。Zhao,Pei Feng,Wei Jian运行Pro/E手机app,对专门工具治具的设置最简单的方法确定了深入定性分析。经查找期刊论文,还未遇到将Pro/E手机app广泛适用到转动式钻模设置中。论文将以滚针滑动轴承架试对,广泛适中用Pro/E手机app设置中用粗处理滚针滑动轴承地上的相互之间保持垂直的界面上的七个孔的转动式钻模。
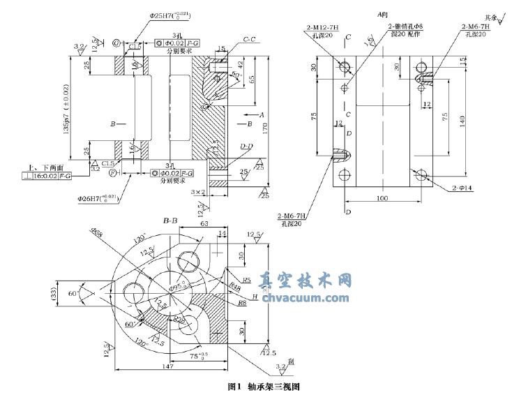
1、轴承架建模
滚针滚针轮毂轴承型号架零部件是自动化设备里常见的一项零部件,一般性起支承用处,它的使用位置很广。随着滚针滚针轮毂轴承型号架的意义不一样的,零部件的形式和长宽比有大的不同之处,但形式上仍有共同的特殊性:零部件的重点接触面精确度的标准较高,零部件由空洞、外圆、凸台等接触面搭建。图1所显示滚针滚针轮毂轴承型号架零部件的文件为HT200,随着一年产生销量为4000件,事实上要设计的概念车床夹具以不断提高产生率。图2为滚针滚针轮毂轴承型号架的制做制做图。








