油封式旋片真空泵保养与维修
油式旋片式真空泵是真空行业量大面广的产品,广泛应用于冶金、医药、化工、电子等行业。正确的使用及良好的维护不仅可以延长泵使用寿命,同时可以节约不少费用。文章通过对油式旋片真空泵工作原理介绍以及日常维护方法阐述,再结合两个实际维修案例分析,得出油式旋片式真空泵日常保养维护和维修方法,可为该泵使用者提供一种参考。
真空本指没有任何事物粒子存在的空间,但什么都没有的空间是不存在的。工业上的真空指的是气压比一标准大气压(101.325kPa)小的气体空间,是指稀薄的气体状态。真空环境可粗略地分为:低真空>102 Pa,中真空102~10-1 Pa,高真空10-1~10-5 Pa 和超高真空<10-5 Pa。通常,把能够从密闭容器中排出气体或是容器中的气体分子数目不断减少的设备称为真空获得设备或真空泵。
1、真空泵介绍及分类
真空泵是利用机械、物理、化学、物理化学等方法对容器进行抽气,以获得和维持真空的装置。真空泵和其他设备(如真空容器、真空阀、真空测量仪表、连接管路等)组成真空系统,广泛应用于电子、冶金、化工、食品、机械、医药、航天等部门。
真空泵按结构类型可分为机械式,喷射式和吸着式,凡是利用机械运动来获得真空的泵称为机械真空泵。按其工作原理及机构特点分为变容真空泵和动量传输泵,变容式真空泵是利用泵腔容积的周期性变化来完成吸气和排气以达到抽气目的的真空泵。这种泵分为旋转式和往复式两种,旋转式真空泵利用泵腔内转子部件的旋转运动将气体吸入、压缩并排出,主要有有以下4 类:(1)液环真空泵;(2)油封式真空泵;(3)干式真空泵;(4)罗茨真空泵。液环真空泵将带有多叶片的转子偏心装在泵壳内。当它旋转时,把工作液体抛向泵壳形成与泵壳同心的液环,液环同转子叶片形成了容积周期变化的几个小的旋转变容吸排气腔。工作液体通常为水或油,所以亦称为水环真空泵或油环真空泵。用水作工作液,极限压强只能达到2000~4000 Pa。用油作工作液,可达130 Pa。文章中油式旋片真空泵属于液环真空泵的一种,工作液为真空泵油。

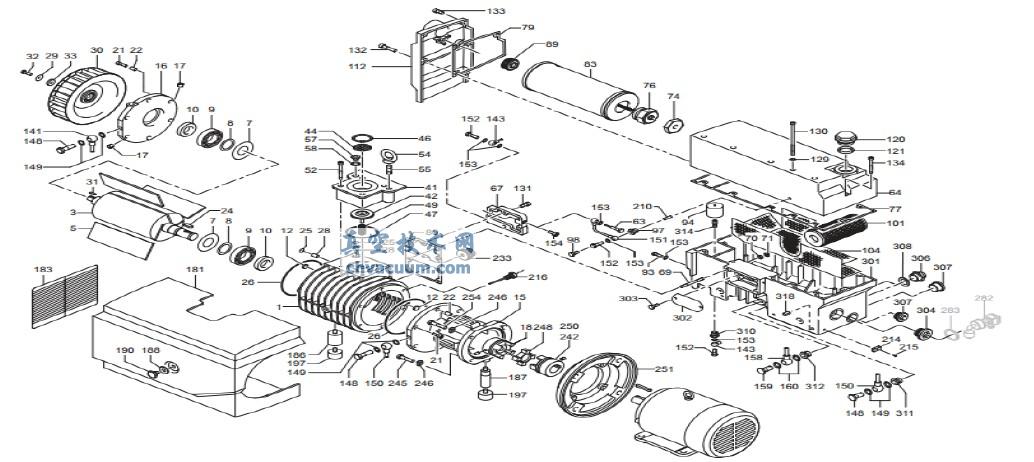
2、油式旋片真空泵机构与工作原理
油式旋片负压泵重要由定子、叶轮、旋片、定盖、拉簧等零件加工包含。在泵腔内偏心距地安裝中含旋片的叶轮,叶轮槽中具有旋片。叶轮和旋片将定子腔分给吸气和resres排气口口两个部分。当叶轮在定子腔内电动机时持续性性地将进气口各方面容量会不断提升而吸进去废气,同一会不断调大resres排气口口口左侧的容量将已吸进去的废气减小并从resres排气口口口代谢掉。电动机时将负压泵油抛向泵壳进行于泵壳三合的油环,油环同叶轮嫩叶进行了容量持续性变化无常的三个小的电动机变容吸resres排气口口腔。 图2 已知为油式旋片泵的办公机制示图图,泵其结构特征是用偏心轮地装在定子腔内的缩放叶(缩放叶的外圆与定子的内外层相切二者中间的空隙极为小)和缩放叶罐内滚动的指明方向弹黄弹力和离精力力贴着在定子内腔的几块旋片,当缩放叶缩放时,要自始至终沿定子的内腔滚动。
3、油式旋片真空泵使用与维护
3.1、油式旋片高压气泵动用 和大多数转生产设备相似,油式旋片真空系统室系统箱泵待机前想要在电机的风机叶轮处人工机械盘车,进行检杳泵内是否需要有有脏商品卡住。后会加相关联规格型号真空系统室系统箱泵油到同一油位且在施用3天内或做工作100 h 换油,这是由于新物品也许会造成残渣会影响抽真空系统室系统箱郊果。引魂灯在泵国外原产放有也容易被吸食泵内的商品,泵原产要是有人工机械铜阀必然要长期处在取消状况。第三点动,进行检杳转向器是否需要有科学合理再马上启动。国外原产管道尽也许短也容易保证胶封性,为了防止漏洞削减真空系统室系统箱度。 3.2、油式旋片抽机械泵服务器维护 油式旋片进口进口机械泵箱泵运作媒介为进口进口机械泵箱泵油,进口进口机械泵箱泵功能体现和油的性能及饱和度具备十分的反应密切的反应。泵在施用方式中,所抽介质里的悬浮物和水十分的易在抽气进人进口进口机械泵箱泵油中,在这种具体化情况会严峻反应进口进口机械泵箱泵工作状况甚至于烧泵。之所以,必须要一直对进口进口机械泵箱泵油完成抽样观擦。作者办法下面:在进口进口机械泵箱泵一切正常运行的后刚宕机时(但还要注意中高温压力伤害人身安全)油温较高时,用无色单瓶起来了,在常温状态时工作环境码放24 h 后,观擦到底到底有没有有:颗粒剂沉淀物中物?到底到底有没有有水沉下来来?的色彩暗浅?具体化用为下示范回答。 表1 真空箱泵油查大型项目表


4、油式旋片真空泵维修案例
4.1、装修案例一 写作者現場面对一油式旋片进口水环真空泵现身重新重新启动后跳电这种现象。在消除无刷主轴伺服电机常见故障问题后,张开无刷主轴伺服电机散热管电风扇罩对泵做人工机械盘车没有办法盘动。光凭成就选择常见故障问题出自于泵腔体和叶轮的内部。该泵任务的环境中含有乳白色状材料,很有能够叶轮被乳白色材料黏住造成 无刷主轴伺服电机热负荷增加,未能带动力泵任务的便重新重新启动电机负载保养。 施工现场另一将泵拆进入维修服务间,对比设计图纸进一步拆装以后现腔胃中表面上和电机叶片表皮面上都以经有物料管理粘卓在底下,引发电机叶片、旋片卡死在腔体之中。油式旋片真空系统泵运转机制正是电机叶片剪力地在腔体里做周期怎么算性中长跑确定抽气及排气阀,全部引致泵整体上压根就失效。








