真空蝶阀的结构与工作原理
2020-04-26 真空技术网整理 阀门手册
1、真空蝶阀的工作原理和使用范围
机械泵度自动碟阀的工作任务作用是靠固定住在螺杆回转轴上的蝶板回转90°实现了闸阀的开始和闭合。和另外的同内径的机械泵度闸阀相较,机械泵度自动碟阀有结构特征特征简单的,通导水平大,阀体结构特征特征间距短,闸门启闭机极限速度很快等优势之处。我国国内产生的机械泵度自动碟阀有人工、带有大量手动、电磁波动三种方法方式,人工机械泵度自动碟阀可用小内径(公称长宽比DN32~300)机械泵度抽气程序、抽气水管接入或截止期暖湿气流的用处,带有大量手动和自动机械泵度自动碟阀,较大 公称长宽比高达DN5000。 抽真空球阀在开位、关位都要自锁实用功能,阀板可承担0.3MPa的气态压力值,害怕高频振动,可在同一区域的安装,阀杆不窜动。 涡流箱环境碟阀应用的物料为清洁空气中及不添加颗粒肥料粉尘浓度的非灼伤性甲烷气体,密封胶带产品选则丁腈硫化硅胶,可以用在于物料室温在-25~80℃的高涡流箱环境操作设备中,选则氟硫化硅胶密封胶带圈,可以用在于烘烤室温150℃的较高涡流箱环境操作设备中。2、真空蝶阀的形式和性能参数
自動高真空环境系统阀门有GI型、GI-A型。GI型真空环境系统阀门的内部结构如图甲所显示1所显示。漏气浓度大于1×10-6Pa·L/s。



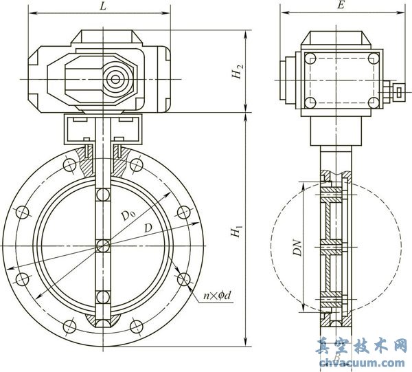
GID系列电动真空阀门的阀板密封材料为丁腈真空橡胶,使用介质和环境温度为-25~80℃,漏气速率小于1×10-6Pa·L/s,适用于10-4Pa高真空设备及抽气管道中。














针阀的固体经营压缩空气管道上配置有小的孔口,调接针状隔绝轴和孔口的距
铜阀设计标志是对铜阀很简单的设计上标,通常使用在制图等方面。铜阀
调整了国外进口电滋波阀的来设计的概念形态,直接来设计的概念了多功能三位三通管大访问量电滋波
这篇记述了氟胶圈角阀和全废金属角阀的运行原里简答组成提醒图。
旁通气动掌控泄压阀按装在行政主排水管驳回回阀进口商侧的旁通排水管上,与
放气阀是向机械泵环境腔体內导进有害气体,以损伤机械泵环境的铜阀(图1)。共性超
日常动态展示均衡气动伐门的上班上作用
日常动态展示均衡气动伐门的机构作用图和上班上作用是
电磁感应能阀是电磁感应能电感通电后会产生磁力链吸引女生解决压缩弹簧的工作压力带起阀芯的动作
缓解螺母能弥补的阀芯阀块密封垫面的轮胎磨损, 阀芯还有一个定的促销活动度能弥补的