一种带先导球阀的截止阀
2009-07-22 王建凯 浙江大学化工机械研究所
1、概述
现在,国外的最迟期阀绝大多数运用手轮或智能式装制推动。运用手轮推动最迟期阀打开或开起时,工作慢慢,劳动改造比强度大,自己化的程度低,有碍于的阀门的集合调控,且易发生伴随错误控制动用导致的安全卫生死亡交通事故。运用高级智能式装制打开和开起最迟期阀时,组织巨大,能效大,生产成本较高,广泛应用在输油管道或煤化工易燃性易爆气体的液压管路上时,更方便维修保养且都存在死亡交通事故危险源。但是试制了创新型带先导不锈钢球阀的最迟期阀。该阀还可以提升高级最迟期阀的核心技能,极具控制动用灵便省钱、精度等级高、工作快、不生绣、连接简单、动用生命长和运维更方便等缺点有哪些。2、阀门结构
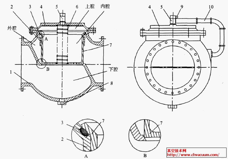
带先导球阀的截止阀有手动控制和电动控制两种类型。手动带先导球阀的截止阀(图1)由阀体、阀瓣、阀盖、导向套、密封圈、弹簧和导流管等零部件组成。阀瓣呈直圆筒形,阀瓣底部有底孔,阀体下部设有排污孔,该孔安装有密封螺母。阀瓣底孔的孔径小于导流管的内径,阀瓣上部有压环。
带先导不銹钢阀体的到到阀无手轮、阀杆和内升降调节螺母,将导识型块与导识型槽化为导识型套,将盘形阀瓣化为类钵型体阀瓣,并在顶端开阀瓣孔,将阀盖原阀杆孔化为扰流板孔,因加强压环、密闭圈和将阀瓣化为类钵体,使上通流腔隔开为上腔、外腔、内腔,在上腔与外腔的外观加设置扰流板管与不銹钢自动改人工机械不銹钢阀体,在堵盖与阀瓣底的服务中心部加设扭簧,阀瓣上端加设压紧紧闭圈的压环,在家腔的体两侧打有放水孔。针对于电动式的掌握的到到阀,只需将先导的掌握的自动改人工机械不銹钢阀体用3~5V直流电源直流电机驱使如要。 1.阀体 2.目标套 3.密封圈圈 4.阀盖 5.半自动三通三通球阀 6.螺旋弹簧 7.阀瓣 8.排放阀 9.三通三通球阀手柄 10.引流管管 图1 带先导三通球阀的截止期阀3、工作原理
由伯努利方程组能知,当气流力学纯净水横截面会发生变现时,以及横截面做收缩和扩充等,气流力学会行成纯净水摩阻,应当的气流力学的的压力会骤降。带先导蝶阀的截止到阀就是指属于差压蝶阀,充分巧用媒质工作中的的的压力为驱动力、充分巧用差压促进改革阀瓣提交阀瓣的开开开关合合,让用较小的开开开关合合阀提交相对于大蝶阀的开开开关合合。 假定先导电动阀门的原始的情况为开启,引管管不畅。随着阀瓣下端与进出口的相联,同时进出口的负担和阀瓣内负担一样的,则阀瓣在载重量及其压缩弹簧力的用途下所在地与阀块合闭,到阀出在开启的情况。 当拆开先导止回阀,阀瓣与出口产品值相连,水外溢,此时此刻上面水流量的降低(这两种负荷问题,均为P2 ) ,是主要是因为国外进品负荷P1 与出口产品值负荷P2 产生的负荷差, 则国外进品负荷P1 将阀瓣顶起,拆开止回阀。是主要是因为引流管内直径少于等于底孔的孔的直径,因为,如果有阀瓣底孔的产生的, 国外进品管的负荷P1 始终控制少于等于阀瓣内的负荷(互抵阀瓣重量和压缩弹簧力的帮助) ,以至阀瓣不会轻易下跌,而控制全通取消,所以保证质量上限通量的气固两相流经过。 当倒闭先导伐门,阀瓣与出口额断线。路经相应的时间后,流入了原装进口的水经阀瓣底孔流入阀瓣的内腔,至两者之间阻力发展时,在阀瓣地心引力及大弹簧巨作用下,阀瓣第三与阀球闭拢,伐门倒闭。要求放水时,就可以完成阀体上的放水孔将水排污干干净净,然而要确保水不有冰,伐门不有锈蚀。都是这样不断循环往返,就能完成伐门的倒闭和开放。4、性能测试
能够实验测试方法,带先导阀体的截至阀取消时光10~15 s,开起时光10~20 s,取消各种压力0.01MPa,相对 直流变压器电动调节高压单向阀,利用率先导枝术,以3~5V 直流变压器高压电机会保持高压单向阀的取消和开起,其耗电约为一般的自动控制高压单向阀的2%。该阀具备着设备构造紧密,密封优势好,控制省功,维护与保养便宜的优势。5、结语
带先导止回阀的最迟阀也是种新型产品的最迟阀。其管理处技术应用是有效率判断其通气管管内径与阀瓣底孔内径的指数值,该指数值判断了阀瓣的运行能力和运行用电量。若指数值宏不低于1,则系统配置的先导止回阀样式就大,驱使用电量会升。若指数值相当于或大于1,则止回阀不会稳定进入形态。而且,可不可以采用改变阀瓣的载重量、扭簧的浮力相应阀瓣的底孔程度来判断止回阀的进入水压和开闭周期。参考文献:
〔1〕 陆培文. 实用型闸阀来设计实用手册〔M〕. 山东: 机器行业刊发社,2002. 〔2〕 王秀兰,关正亚. 到阀齿轮变速箱装制与结构的改良〔J〕. 轻纺机械制造,1996 (3) : 69 - 70. 〔3〕 杨之基. 调节阀设计制作实用手册〔M〕. 背景:机械装备行业刊发社, 1992. 〔4〕 武万才. 物料停下来的新式的截止日阀〔J〕. 发电站的设备, 1998 (1) . 〔5〕 王德洪. 带先导自动控制蝶阀的载止阀〔P 〕. 中国人专利申请:200710004645. 2, 2007 - 01 - 13. 〔6〕 蔡仁良,顾伯勤,宋鹏云. 环节游戏装备密封性的技术〔M〕. 山东:化学上的实业发稿社, 2006. 135 - 147. 〔7〕 黄遥感卫星,陈文梅. 水利工程射流力学结构〔M〕. 青岛:催化工业化的出版业社,2001. 60 - 65. 〔8〕 陈润泰,许琨. 测试科技与自动化仪表盘〔M〕. 成都:东南产业师范大学出版发行社, 2005.














针阀的气物买卖压缩空气管道上设置成有小的孔口,上下调整针状密闭轴和孔口的距
止回阀图行遗漏是对止回阀简便的图行提示,正常代替制图等领域行业。止回阀
完善了进口的磁感应阀的制作行式,二次制作了新型的两个三通管件大客流量磁感应
本论文讲解了氟胶圈角阀和全黑色金属角阀的工作的方法名词解释结构类型举手图。
旁通液压油缸操控泄压阀装置在主热力管材道终止回阀口侧的旁通热力管材上,与
放气阀是向真空环境室腔胃中拷贝到实验室气体,以破碎真空环境室的阀体(图1)。应对超
情况平横管道止回阀的上班方式
情况平横管道止回阀的框架方式图和上班方式是
电滋感应阀是电滋感应电感线圈通电后形成磁性抓住应对弹簧片的压差推动阀芯操作
调试内六角螺丝能拆迁征收土地赔偿阀芯阀块封口面的损耗, 阀芯有块定的活动组织度能拆迁征收土地赔偿