北仪优成MVP系列直联高速旋片式真空泵
2019-10-05 北京北仪优成真空技术 北京北仪优成真空技术有限公司
小编依据了首都北仪优成机械泵工艺不多品牌制成的MVP系类直联高速公路旋片式机械泵泵规划制作规划原理、规划制作的特征与优缺陷:、工艺叁数和形态长宽高图,妥善满足广大使用者考虑时分类。
MVP系列直联高速旋片式真空泵设计原理
南京北仪优成机械泵室技巧限制我司产出的MVP国产直联高速的旋片式机械泵室泵,以创新性设计方案、尽量的造成,无法买家的实际需求,添充TRP国产在巨大抽速的空白一片。 由上盖、液压油箱、伺服电机支架、泵芯组成部分,性能止逆阀主气镇阀保护性机械泵泵和机械泵平台。率高、易运作及维修保养简单。MVP系列直联高速旋片式真空泵设计特征
1、程度真空箱度就越高。 2、健全的自带进气口止逆阀设备在停下时保护的真空泵设备。 3、用到亚太标准法兰盘。 4、低风噪与低震动。 5、稳态负担油嵌套提拉系统性。 6、不方便的气镇阀保持 7、维修费和维护保养简单便捷。 8、方便快捷的冷凝模式,风冷(MVP-144/216)或水冷散热(MVP-324/432/540)。MVP系列直联高速旋片式真空泵技术参数
|
|
单位
|
MVP144
|
MVP216
|
MVP324
|
MVP432
|
MVP540
|
||
|
抽气速率
|
50Hz
|
m3/h
|
120
|
180
|
270
|
360
|
450
|
|
|
L/min
|
2000
|
3000
|
4500
|
6000
|
7500
|
|||
|
60Hz
|
m3/h
|
144
|
216
|
324
|
432
|
540
|
||
|
L/min
|
2400
|
3600
|
5400
|
7200
|
9000
|
|||
|
极限压力
|
气镇
|
Torr
|
5×10-3
|
|||||
|
关气镇
|
Torr
|
5×10-4
|
||||||
|
进气口径
|
mm
|
ISO 63
|
ISO 100
|
|||||
|
出气口径
|
mm
|
ISO 40
|
ISO 100
|
|||||
|
电机功率
|
kW
|
3.7
|
5.5
|
7.5
|
11
|
15
|
||
|
转速
|
50Hz
|
R.P.M
|
1450
|
|||||
|
60Hz
|
R.P.M
|
1750
|
||||||
|
容油量
|
Liter
|
11
|
16
|
17
|
28
|
35
|
||
|
冷却水
|
L/min
|
|
6
|
8
|
8
|
|||
|
重量
|
kg
|
172
|
290
|
358
|
584
|
668
|
||
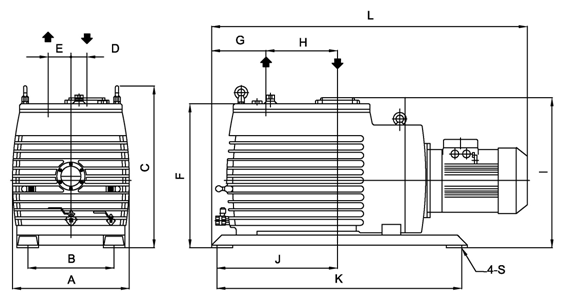
MVP系列直联高速旋片式真空泵外型尺寸图
■ 主要参数 : MVP144,MVP216,MVP324,MVP432,MVP540


















这段话提供数据了苏州北仪优成真空度技巧是有限的单位的生产的TRP系直联速度
成都北仪优成高压气科技有限责任我司招引欧美国家一流的高压气泵生产的科技和工
抽速能够达到到64 l/s小而有劲的浦发锅轮原子核泵 Pfeiffer HiPaceTM 6
新那代新产品ZDF-5201v01复合型重力作用计是由沿途皮拉尼内阻重力作用计和一
充当国内技术型的检漏机器的研制开发及创造制造商,德英福康(INFICON
文中价绍了新第一代原子核泵—径流原子核泵的的技术的特点、与过去的正空泵的
广州泰岳恒真空箱技能探析所续承近二三多年的原子核泵制作体力,职业 国