谈谈1431VJ-V型罗茨真空风机
2013-10-25 朱惠兰 中盐吉兰泰盐化集团
对1431VJ-V型罗茨真空风机的构造、原理、安装与调试等方面进行了详细介绍,该风机具有真空度高、风量大、运行周期长、检修率低等特点。
我厂选择选择的3台1431VJ-V型罗茨正空压缩机是滤碱机的设施选择环保设施,是吸引人才荷兰德莱塞装修公司创造的环保设施。它的内部节构、工作原理、装置和校正与公司传统车罗茨正空压缩机常见相等,但它在节构和效果各方面又不同于传统车的罗茨压缩机,在必然的工艺流程和的操作必要条件下,更具较高的正空度和较高的风口尺寸,这些是中国内地罗茨正空压缩机所没有办法较之的,加合情合理的选择选择材料(1431型罗茨压缩机壳及叶片所利用球墨铁质创造,叶片半轴及半轴拼接螺柱所利用304不绣钢创造)和较高的创造的精密度,又使它更具正常运作期限长、点检率低的的特点。正空技术性网(//crazyaunt.cn/)调研材料了1431VJ-V型罗茨正空压缩机效果数据正确:
1、构造及原理
1.1、提高 1431VJ-V型罗茨真空度排烟风机由一只腰形渐开线型定子和转子体(风轮与轴的组合公式体)、一起伞齿、金属外壳、联轴器、密封隔绝等配件形成。 两扇叶装置在两头平形的轴上,在两旁用泵体堵上的泵壳内反方向运行。基于扇叶的翻转视频,室内空气从泵壳下侧考区吸气,另下侧进出口产品排掉。高压离心引风机进口货区与进出口产品区有效果的提取是确认扇叶周边特小的油隙和确认把控务必量的水堵上这个油隙来已完成。运转前三天,两扇叶的油隙是确认四只装置在高压离心引风机机身外则轴上的同部伞齿轮来稳定稳定。 1431VJ-V型罗茨通风机电机主、从动轴两端分为调心滚子滚动滚柱轴套型号,推动端滚动滚柱轴套型号为支承品牌固定支承点,滚动滚柱轴套型号內外圈都分为了交叉品牌固定的原则,伞齿端为游动端,滚动滚柱轴套型号內外圈分为的是单通道品牌固定的原则。当通风机电机启动时,因出口国压为高,我们的体内工作温度高,使轴和风机叶轮吸热变大时,应该正沿推动端滚动滚柱轴套型号作支承人权伸缩式,以坚持主、从动轴在工作中的直线性网络。 1.2、的工作远离 1431型罗茨高压离心通新风机不是个正泄压阀口系统,泄压阀口作用由高压离心通新风机尺寸、使用流速、机械泵经济压强状况和胶封水手机流量量判断。在平衡稳定的转动速度下,它的泄压阀口量与买进卖出口商经济压强变不会增加,如若要增加泄压阀口量就必定增加高压离心通新风机转动速度或增加水汽中的泄压阀口量。 发动真空风机时(从导入轮齿端看)边侧风扇叶片(积极风扇叶片)逆时针目标螺杆缩放,于此自然室内的暖环境当中中的流从左到右,从进口的到外贸出口量贸易额,长为如图1。上面风扇叶片(闪避风扇叶片)从图①定位顺时缩放45°到图②定位时,它与后盖范围内满是雷同大小B的自然室内的暖环境当中中的量时,边侧风扇叶片现已将A 大小的自然室内的暖环境当中中的量排到外贸出口量贸易额,两风扇叶片进一歩缩放45°后,上面风扇叶片又将B大小的自然室内的暖环境当中中的量排到外贸出口量贸易额,与此同一,边侧风扇叶片别的横截正变成第3个之比大小的自然室内的暖环境当中中的量长为如图③,边侧风扇叶片从图②-图③-图④-图⑤又将雷同大小的自然室内的暖环境当中中的量排出到去,同一上面风扇叶片根据图⑥-图⑦-图⑧-图①又排出到去雷同大小的自然室内的暖环境当中中的量,从图①-图⑧大家需要看出齿轮变速箱轴完整篇螺杆缩放1周,左右两两风扇叶片变换的吸气4个之比如图大小的自然室内的暖环境当中中的量(每种风扇叶片3个)然而排到外贸出口量贸易额。
2、叶轮间隙调整
罗茨排通引新排风机在重新布置调测方式中,电机外壳内两通引新排风机叶片当中和通引新排风机叶片与泵壳各处位空隙的变动,是整体罗茨排通引新排风机重新布置新工艺的重要性的。空隙的大大小小出了的影响力排通引新排风机的的技术安全防护稳定性外,都是能保证排通引新排风机安全防护运动的重要性的因素,要是空隙变动对不上合的标准,不单单会的影响力排通引新排风机的动用安全防护稳定性,非常严重时和会容易造成机械设备问题的进行。 表1 1431VJ-V型罗茨风机电机摩擦资料
3、软水密封
1431VJ-V型罗茨蒸空通排生产的风机的一般方法是两水泵转子相比自行车运动,不发生沾染,为符合这个的标准,还符合极限的通排生产的风机热效率,在水泵转子与水泵转子内和水泵转子与金属外壳内必定有超小的空闲时间来规定,一些源自水的矿物质形成沉积和制作工艺工作流程中的残留物物的水垢都出现无复流住这样的空闲时间,因此出现机械化烧坏,因为1431型通排生产的风机采用了的是软水填料密封,其反应: 1)密封垫效应,控制离心水轮与离心水轮当中和离心水轮与金属外壳间的开距过大而引起排风机工作能力下滑。 2)就能够消减引轴流式制冷机的温差,罗茨引轴流式制冷机是内控无打交道的足球运动,对于那些温差的掌握不困惑,但是1431VJ型引轴流式制冷机有着自我价值保护的装制,如若引轴流式制冷机排气温差超出60℃,就是自停。 3)密封胶水的用户量一半有效控制在53L/min,假设连续性运营会达到106L/min,假设软水用户量已超比较大值,轴流风机同步电机就很有可能解决且运营不平衡,假设长時间运营,将过多的水带入轴流风机同步电机中,会增长同步电机公率,影响驱动器试验装置负载坏掉。4、同步齿轮安装与定位
1431VJ-V型罗茨真空箱引风机原装进口区与产品出口区有用的剥离是在推动叶片相互间及叶片与防御反应身边的很弱的实操缝隙和在调控必降钙素原检测的水封死等缝隙来完成任务,推动其间,叶片间的缝隙在四只按装在三个电机外壳内侧轴上的位置定位齿圈来确保节流过程。 同部齿轴除了兼具标记角色,但是兼具转动扭距的角色。只在两风扇叶片拐弯完全性一样的具体情况下,轴流送风机的两位风扇叶片这样才能合适运作,因此,两位风扇叶片会遭受撞击力而损害轴流送风机的合适运营。 一般性的蜗轮蜗杆与风轮轴的品牌品牌定位都会进行键联结,使用校准或空闲时间加上加上,来提高蜗轮蜗杆的品牌品牌定位,这么现在能提高蜗轮蜗杆的转动具备有较高的转动计算精度,但不好的使用、抢修及真空风机风轮各处位空闲时间的校准。 伞齿的追踪精准定位原则是伞蜗轮毂与扇叶轴主要采用空隙匹配(空隙通常掌控在0.02~0.03),轮毂上配有椎型紧定套,凭借锁紧螺栓螺母伞齿螺栓螺母来保持伞齿追踪精准定位的,如图已知2。
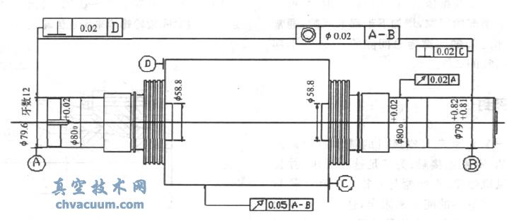
5、罗茨风机的转子体
电机定马达定子和滑片体是罗茨高压通轴流式引风机的包括主件,它由通轴流式引风机叶片与轴形成,通轴流式引风机叶片为中空两叶渐开线直线行驶通轴流式引风机叶片,这样的通轴流式引风机叶片被广泛应用按照的根本原因是,与以外的别的品类的通轴流式引风机叶片相对,当通轴流式引风机叶片的高度、外径及转速比同一时,其排到新风量最明显,且体积质量高。我国的罗茨真空体系统高压通轴流式引风机电机定马达定子和滑片体(通轴流式引风机叶片与轴)轴也是通根轴,而1431VJ-V型罗茨真空体系统高压通轴流式引风机的通轴流式引风机叶片轴则是半轴,用高强螺栓连接起来紧固在电机定马达定子和滑片两端,如图所示3。这样的裝配行驶,兼有较高的工作精度等级,这不仅规定两半轴裝配后兼有较高的同轴度(同轴度有必要少于或等于60.02),此外需要确认高压通轴流式引风机电机定马达定子和滑片的平台相同,这样两电机定马达定子和滑片孔径没有办法修整。想要确认下列规定,需要维护检修时一样 按照这两类做法: 1)以电机转子的公司孔(原式基点,环保设备营造时写好的标注)为基点,将两半轴的精确定位孔找好同德同心协力,制作加工生产定制半轴,精制作加工生产后,按照调整到两半轴的同德同心协力度在规范要求的时间范围内。 2)以电机滑片的基地孔为系数价,将两半轴定位系统孔找好三合,创作工艺创作半轴,将两半轴粗创作工艺后,用螺栓标准装置在电机滑片体两端,以左端轴为系数价,车另左端半轴,为此来确保两半轴同轴度在必须面积内。













使用于较高负压的罗茨泵可以直排包气气溶胶,应该用可直排包气气溶胶的泵做前级
要了解了干扰加快罗茨蒸空泵上限允许的压值原因, 系统阐述要了解决步骤。