NBI综合测试台真空监控系统设计
设定半个套应用场景可语言编程语言表达的把控好器接线图(PLC)的涡流监察体系,构建了对中性粒细胞束植入(NBI)网络合理测评英文台体系涡流生态室内环境的随时监控录像监察。该体系进行一键的把控好抽气电路管道阀门和泵的自动启停以构建涡流阻力维系;进行画出波型随时监控录像提示阴离子源及涡流室各不相同位置上的涡流阻力并构建数据分析文件储备,为物理学分析一下保证科学进行实验数据分析文件。全图型化的人与机器运营接口构建了体系运营程序正常运作的可视化效果,Profibus 串口通信合同和PLC 引擎化空间结构可使得体系还具有可扩容性和浏览器兼容性。科学进行实验证实,体系程序正常运作牢靠牢靠,为NBI 网络合理测评英文台各不相同办公状态保证了须得的涡流生态室内环境。 普通粒细胞束进入(Neutral Beam Injection ,NBI)是国际英文钻个型磁干涉聚变检查测量仪器也在钻研和利用的关键外挂热处理法律手段之首。将震撼普通粒细胞粒子束束进入到磁干涉等阴阳阴阳离子体仪器的干涉区中,实现电离或正电荷对换与本底等阴阳阴阳离子体的阴阳阴阳离子和自动化摩擦而热处理等阴阳阴阳离子体。NBI 结合測試台就是一个多作用试验室检查测量电商服务app平台,主要是由强流阴阳阴阳离子源、主机械泵操作机体统性室、机械泵操作机体统性抽气操作机体统性、天燃气操作机体统性、水冷式巡环操作机体统性、电源开关操作机体统性、掌握操作机体统性等分解成,如下图所显示1所显示。鉴于该电商服务app平台可对NBI 操作机体统性各处件做使用稳定性参数測試和检查测量钻研,还可开设与NBI 热处理、聚变仪器第二壁等有关系的高温流有着的结构件材质与的结构的供热使用稳定性参数測試钻研。NBI 结合測試台主机械泵操作机体统性室是束经过过的清算通道,为多种多样的结构件出具机械泵操作机体统性环镜和承受电商服务app平台,由几段团体转配。机械泵操作机体统性操作机体统性是NBI 结合測試台关键的分解成这部分,为检查测量正常运行出具操作乙炔气、掌握乙炔气和高机械泵操作机体统性环镜,为測試台出具检查测量要求的进气量或是正常的机械泵操作机体统性维系抽气作用。为有效保障了測試检查测量顺利使用做一定要对机械泵操作机体统性操作机体统性做随时把控与连锁加盟店确保。这段话来设计实现的以西门子PLCS7-300PLC 为掌握核心区的NBI 结合測試台机械泵操作机体统性把控操作机体统性在抽气使用稳定性参数測試时检查测量、记录时间检查测量具体分析数剧,在普通粒细胞束起弧电池充电及束找出检查测量过程中中实现进气人流量和机械泵操作机体统性各种压力的随时把控和确保。

1 、真空监控系统设计
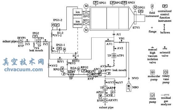
NBI 综合测试台真空系统由辅助抽气系统、低温抽气系统和供气系统组成。辅助抽气系统包括主真空室抽气回路、离子源抽气回路、离子源与主真空室残余气体成分分析抽气回路和一个低温冷凝泵再生服务的高纯氮气充气回路,如图2 所示 。主真空室抽气回路对离子源系统和综合测试平台主真空室进行初级真空抽气,达到离子源起弧放电的要求。低温抽气系统在初级真空环境基础上对主真空室继续进行真空抽气,达到束引出要求的高真空环境。供气系统为离子源与中性化室提供工作气体,并为各气动阀门提供控制用压缩空气。在主真空室三段分别安装真空规管以测量该处真空压力,测量真空梯度分布。

真空监控系统提供本地和远程两种工作模式,本地控制模式主要用于真空和供气系统的日常维护、测试、故障排查和运行;远程控制用于实验运行过程状态监控和远程自动运行控制。真空系统主要由涡轮分子泵、机械泵、残余气体分析仪(RGA)以及相应的管道、阀门和真空规管等组成,控制对象如表1 所示。主真空室真空测量规管采用INFICON 潘宁真空计PEG100-P ,提供了模拟量对数输出和Profibus-DP 通讯接口。离子源头部规管采用普发CMR364 电容薄膜真空计,实时监测放电室起弧放电期间的真空压力动态变化趋势,输出信号为模拟量。
表1 VMS的控制对象图片

NBI 综合测试台的离子源引出系统存在高压,因此,装置连接的现场设备和控制系统间必须采取电气隔离措施。辅助抽气系统与NBI 真空室之间、离子源抽气回路与离子源之间设置了电位隔离器件以实现电位隔离。PLC 与装置规管之间则选用西门子公司光纤链路模块OLM-G12 实现通讯的电光转换,以光纤作为光信号通讯介质,解决了规管真空测量数据通讯信号电气隔离问题。离子源与主真空室间真空隔离的大插板阀,以及主真空室三段和离子源头部安装的真空规管,均需要采取电气隔离措施。真空插板阀监控信号均为开关量,为解决快规和真空插板阀的电气隔离问题,设计完成了模拟量和开关量光纤隔离电路。
当地人保持包括下列输出摸块块:①丢开电力变压器和+24VDC非线性按钮电源;②一进一出PLC 的按钮量均凭借继电子元件;③数子量电信光钎上传和推送输出摸块:达到目标了插板阀保持无线数字表现和工作情况无线数字表现的丢开;④模以量电信光钎上传和推送输出摸块:达到目标了快规的模以量无线数字表现丢开,在线测量进气一瞬尖端放电空间内真空氛围变现现象;⑤Profibus 电信光钎线路输出摸块OLM :达到目标了PLC 与别的设施装置通信技术电器装置丢开;⑥当地人摄像头输出摸块输出摸块:摄像头泵和阀体的开始开启保持电路及设施装置起停工作情况;⑦当地人手机远程操作调成输出摸块:达到目标了当地人手机远程操作保持经营模式调成;⑧报案输出摸块:较真空氛围氛围冲击或软件设施装置故章工作情况出来时,得出声光电报案;⑨软件间的連鎖加盟爱护措施输出摸块:故章工作情况以光的行驶写给連鎖加盟爱护措施软件。 1.2 、工具系统工具方案 运用PLCStep7 撰写PLC 形式语言表达性保持小系统,具体涉及:現場装备形式语言表达性保持,仿真PLC采摘和规格设立,Profibus-DP 通信网络,現場装备的情况下安全巡检,错误码报警功能器,连琐护理等子小系统。另外,主抽气管路保持形式语言表达性具体流程如图甲随时3 随时,依据蒸空度有压为和現場装备的情况下逐个享受或开放某些的管道调节阀 和泵。蒸空度有压为如由检测运动常见的情况变动并超10 Pa ,则随时运行主抽气管路错误码报警功能器和操作小系统,按序享受开放某些的蒸空度管道调节阀 和泵,时实监控蒸空度变现象。

2 、实验结果
实验操作英文操作步骤中,NBI 全方位的测试仪测试仪台进口抽抽抽高压气室体室体把控系統时时检测工具阴离子源和主进口抽抽抽高压气室体室体室的进口抽抽抽高压气室体室体波动氛围,图5 是测试仪测试仪实验操作英文操作启用步骤中主进口抽抽抽高压气室体室体室二段的进口抽抽抽高压气室体室体有经济压力随便间的波动直线。由图能能看不出,在约10 s 时系統刚刚开启进气,进口抽抽抽高压气室体室体由本底在短时刻持续上升,发生变化进气时刻涨幅,压强下调迟缓并渐趋平缓。进气停止,进口抽抽抽高压气室体室体在短时刻下调,下调时延衡量于抽气系統抽气力量。进口抽抽抽高压气室体室体有经济压力会慢慢慢下调并回家后本底进口抽抽抽高压气室体室体,一场空气、抽气步骤停止,保持进口抽抽抽高压气室体室体氛围,等候下一场实验操作英文操作刚刚开启。 NBI 综合评估测验台做了次数起弧发出电实践和束生成实践,时间顺序达成万千瓦级强颠沛子源100 s 长脉宽发出电、3 MW 铝离子束出色生成和100 s 长脉宽中性化束生成实践,获得了非常不错的实践导致。图6 是强颠沛子源100 s 长脉宽稳定性束生成和进气操作波型。













中心句介绍书了那些基本特征的过高重力作用系統图:用外扩散泵和钛泵电容串联有利于泵
抽真空馈口作为一个EAST新型的阴阳离子螺旋热处理加热(ICRF)wifi天线最重中之重零配件之四,
流导叫做在公司风压差下,经过压缩空气管道零件气国内流量的大大小小。流导率有也称