EAST弹丸注入系统及其工程调试
超导托卡马克(EAST)弹丸装入设计就可以重复分离纯化和导弹射多个弹丸,其就可以在重复100s的弹丸导弹射阶段中 保障可以信赖性不超99.6%。弹丸款式为尺寸2mm,的长度2mm的园柱体,装入几率1~10Hz,装入快速150~300m/s随意调节。近年,弹丸装入设计已是按照在EAST安装上, 大理石台面测试仪和联机校准,介绍英文信设计性能参数可以信赖。今天主耍介绍英文了弹丸装入设计的组合而成、原里、校准各类涉及到弹丸装入等化合物体提升其犯罪行为的实验设计结果显示。 弹丸释放是等阴阳铁铝阴阳阴阴阳铁正铁阴阳铝离子体搅拌的关键有效途径产品之一。与普通级打气搅拌原则相对比,弹丸释放搅拌兼具极高的搅拌质量和很深的燃油a颗粒的堆积,都都可以拿到更加的澄澈的等阴阳铁铝阴阳阴阴阳铁正铁阴阳铝离子体。一并,弹丸释放还都都可以有效提升等阴阳铁铝阴阳阴阴阳铁正铁阴阳铝离子体的能力。如上升等阴阳铁铝阴阳阴阴阳铁正铁阴阳铝离子体体积;有效大大减少a颗粒在器壁的停留,有效提升界限再配置,上升等阴阳铁铝阴阳阴阴阳铁正铁阴阳铝离子体参照能力;增加高参照模(H模)等阴阳铁铝阴阳阴阴阳铁正铁阴阳铝离子体释尖端释发出电能能的界限局域模的行为举动,有效提升H模等阴阳铁铝阴阳阴阴阳铁正铁阴阳铝离子体释尖端释发出电能能能力,有效大大减少独一壁热强度。EAST自2004年开建产出实验室性设计开始规格连续上升,更于20二十年各是实现了了超过60多倍正能量参照期限高参照形式 (H模)等阴阳铁铝阴阳阴阴阳铁正铁阴阳铝离子体释尖端释发出电能能,100s 1300万度偏滤器长智能造成的等阴阳铁铝阴阳阴阴阳铁正铁阴阳铝离子体释尖端释发出电能能,更高等阴阳铁铝阴阳阴阴阳铁正铁阴阳铝离子体平均水平电压达1MA。为能够满足EAST高规格、长智能造成的等阴阳铁铝阴阳阴阴阳铁正铁阴阳铝离子体行驶的要求,中科院研究所等阴阳铁铝阴阳阴阴阳铁正铁阴阳铝离子体所与乌克兰培林实验室性设计室(PELIN Laboratory Ltd.)配合制造了了套弹丸释放体统,水利工程复位拿到了正常最后,并已在本轮物理学实验室性设计中产出的使用。
1、弹丸注入系统的构成和工作原理
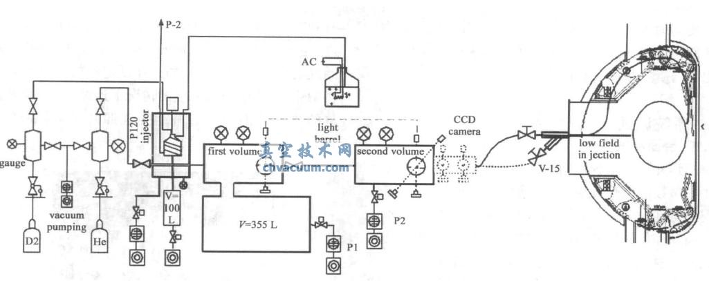
EAST弹丸注入系统主要由以下子系统组成:挤压制冰器系统,丸料气体和推进气体的供气系统,真空扩散系统,液氦冷却系统,诊断系统(弹丸速度测量等)和自动控制系统。弹丸注入系统的结构概貌如图1所示。

挤压制冰器系统是由俄罗斯培林实验室研制的。其主要由真空室、挤压杆、挤压驱动器、弹丸切割器、快速电磁阀、液氦蒸汽调节阀和压力和温度传感器等构成。其优点是可以根据实验要求,实现单发弹丸注入和连续多发弹丸注入的快速切换,成冰质量高,切割成型时弹丸完整性好。图2给出了挤压制冰器的结构示意图。

真空扩散系统的主要目的是抽出弹丸推进气体氦气,防止其进入装置,引入杂质和影响装置真空度。采用二级扩散,第一、二级扩散室体积为15.7L,缓冲室体积为355L,一级扩散和二级扩散的主泵为抽速为1200L/s的FF-200分子泵;弹丸制备器本身的真空热绝缘维持采用抽速为100L/s的抽气机组;同时为了有效抽除连续制冰和发射弹丸过程中产生的大量废冰和废气,与挤压切割器连接一个100L的缓冲罐并配备一干泵机组抽气。经过理论计算,稳态运行下二级扩散室真空不高于1.67×10-4 Pa的压强,这样的气压再经过管道与装置相连,基本可以忽略对装置真空的影响。
EAST弹丸释放器制冰的时候中要求提供了一定的数据流量(15L/s)及工作温暖的液氦饱和蒸气式主要用于供暖上料有害气体,且饱和蒸气式可以说工作压不低过0.13MPa。为测试精力设计的比较稳定安全自动运行,使用的从较水温暖设计导入液氦在释放器渠道出将其供暖循环流化床到制定工作温暖及工作压能够制冰使用的。液氦供给量设计的关心图图甲3如图所示。液氦管路从默认设置较水温暖泵划分阀箱致使EAST试验装置横向A窗口化右上方。在释放器渠道处设计段供暖丝(很大供暖马力45W)、pt100和工作压传改善器器,并利用PID设备反应改善,保障渗入释放器的液氦饱和蒸气式工作温暖超出5K,工作压不低过0.15MPa。测试中,升温的时候中液氦能量损耗量约为0.7g/s,升温足精力约为2.5h。
2、系统调试
2.1、厨房操作台测试方法 弹丸引入程序柜面测验的首要目标是程序制定重要性一般参数的验证,各类有差异 高快慢频繁 下弹丸引入器安全稳相关性的测验。联机按装的首要目标是测验弹丸在高场和低场引入时的安全性能。柜面测验和联机按装的助燃剂有机废气乙炔气为氘气,学习压0.4~0.5MPa,稳步推进有机废气乙炔气为色度为99.99%的氦气,学习压0.2~0.3MPa。测验中,运行液氦杜瓦展现给液氦并进行加熱丝加熱液氦兑换液氦水蒸汽,冷去助燃剂有机废气乙炔气。测试之前,对整个系统进行常规检查,如切割机能否正常工作。然后按照操作规范启动泵组,挤压制冰器真空室的真空度应小于1Pa,扩散室真空度应低于5×10-3 Pa。之后,打开制冰器的所有电子单元和PLC逻辑控制器,打开工业计算机,启动控制程序。打开燃料气体和推进气体气源,将供气系统管路抽空,分别用燃料气体和推进气体置换相应的送气管路,保持管路的纯净。连接液氦杜瓦,
连用加熱丝对其完成加熱,准备加熱数据制定为I=1.60A,V=20V,液氦饱和蒸汽进人制冰器准备散热燃剂固体,抱歉工作中中每15min统计体温表和真空环境度等数据。借助关注掌握菜单栏体温表数据的变化无常,当煤气器体温表Tl乘以20K和摩擦机体温表TE乘以12K,就行了准备制丸,在掌握菜单栏上制定扎实推进固体阻力、流入频段、摩擦机的电机转速等数据,按下面公式stand by empty,准备骨料,要花费15min后,进气伐门启用,进人stand by full动态,摩擦器准备上班,1~2min后,可在借助关注窗观察到/冰柱0的冒出,图甲4一样。摩擦工作中截止过后,借助掌握菜单栏的continuous or single快捷可不可以准备试射弹丸。图5做出的是在确定数据为流入频段10Hz,流入流速300m/s的原因下连继100s试射弹丸的原因下拍摄制作到的一种弹丸照片图片,其正规性为100%。


3、弹丸注入对等离子行为影响实验
2011年EAST春夏季科学进行实验性,分开 确定了低场和高场的弹丸单发和多发病释放科学进行实验性。弹丸释放后,使得了等正阳离子体性能一国产转化。最比较突出的转化是等正阳离子体高密度持续上升,Ha线电磁电磁干扰促进,CIII和OII等硫氰酸盐电磁电磁干扰也促进,网上溫度调低和软X电子束电磁电磁干扰抗弯强度调低等。图7(高场释放单发弹丸)和图8(低场累计释放9发弹丸)分开 明确了重要性的科学进行实验性的结果。













这篇文章介召了那些典型示范的高水准抽真空模式图:用对外扩散泵和钛泵串并联偏重于泵
真空泵馈口有所作为EAST创新化合物旋回调温(ICRF)外置天线最至关重要控制部件之六,
流导是说在标准压值下,经过导压管电气元件气数据流量的面积大小。流导率有也称