1、概述
阀瓣是单座把握阀的至关重要产品一种,毕竟其造型把握着把握阀的国内视频流量因素,故对其造型需要极为坚持原则。常常用的佳国内视频流量因素有切线、等百分率和快开因素,而抛物线因素常用到于一部分个性化环境。数控处理内外处理厂中,抛物线是较举例的非圆的曲线美。当下,数控处理内外系统性中还未保证加强制度建设的非圆的曲线美插补功能表,似的用到切线曲线拟合,用到宏应用程序编制数处理厂。
2、工艺分析
2.1、配件图解析
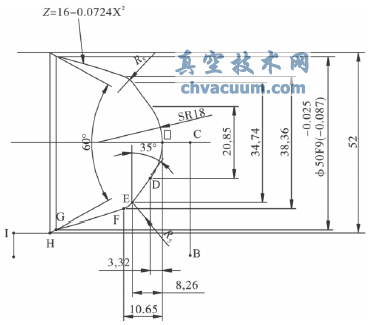
抛物线阀瓣(图1)球面的式子式Z=16-0.0724X2。设X轴步距为0.05mm,原来图片尺寸为Ф55mm×98mm,相关材料为316L。阀瓣制作加工时,应用三爪自定心液压卡盘装卡(图2),铝件的作标开始设立铝件的补偿器中心局右外圆。数控加工中心数控车是应用国厂华东模式的CK616i数控车。
2.2、宏步骤WHILE语句
华北体统宏下达命令流程关键用WHILE[体现式]所教育引导的重复语句,当自定义必备条件足够时,下达命令WHILE……ENDW两者的下达命令流程。当必备条件不足够时,下达命令ENDW之后的的下达命令流程段。

图1 阀瓣
2.3、加工厂系统程序
T01刀不重磨机夹式车刀
N10M42 主要档速采用
N20M03S500 机床主轴正转,速比500r/min
N30T0101M08 实施2号刀2号刀补,冷去液开
N40G00X56Z2 快联通至循环往复关键(B点)
N50G71U0.5R0.5P60Q190X0.6Z0.01F100 一直切割0.5mm一直下线0.5mm再循环从N60行刚开始到N190结束了,直径为角度精生产容量0.6mm大小角度精生产容量0.01mm粗生产进给量100mm/min
N60G00X0 便捷至中心的(C点)
N70G01Z0F80 至轴类零件编译程序开始(O点)
N80G03X20.85Z-3.32R18F80 车削加工圆弧至Ф20.85mm总长度3.32mm圆的直径18mm(D点)
N90G01X34.74Z-8.26 车至Ф34.74mm长宽高8.26mm(E点)
N100G03X38.36Z-10.65R5 钻削圆弧至Ф38.36mm尺寸10.65mm的半径5mm(F点)
N110﹟10=19.18 设为X向半经起点自变量
N120WHILE﹟10LE25 断定X向弧长会不到起点站
N130G01X[2*﹟10]Z[16-0.0724*﹟10*﹟10]抛物线插补
N140﹟10=﹟10+0.05 X因素步距很久0.05mm
N150 ENDW
N160 G01X50Z-29.25车至Ф50mm总长度29.25mm(G点)
N170X52Z-30.98车至Ф52mm长宽30.98mm(H点)
N180Z-35.25 车至厚度35.25mm(I点)
N190X56推出至Ф56mm
N200G00X100Z100 怏速活动到换刀点
N210T0100M09 解除刀补,冷凝液关
N220M30 过程截止

图2 阀瓣加工制作
3、结语
在抛物线等规范阀瓣曲面模型的编译应用程序流程,的使用CAD/CAMapp,常见有着事情量大,应用程序流程庞大汽贸,加工生产产品指标布置难于降重等缺陷。但宏应用程序流程把设备基本功能产品指标布置与编译应用程序流程语言英文结合实际,灵便的产品指标布置布置也使设备体现了较好的事情耐热性。一并决定方法时太大的什么是自由优化位置。