基于CC430的真空开关真空度监测系统设计
2013-10-06 吴志超 中国矿业大学信息与信电学院
真空开关的真空度在发生变化时会引起屏蔽罩发生一系列变化,利用传感器检测屏蔽罩的电信号,再经过滤波、放大后送往CC430 进行处理、分析和比较来确定灭弧室真空度的值,最终得出屏蔽罩电位与真空度之间的关系曲线。通过这种曲线关系可以在不关断真空开关的状态下判断其真空度的大小,进而实现真空开关真空度的实时在线监测。CC430 通过自身集成的无线射频模块将数据信息发送给远程用户,实现信息的远程监测。
近年来随着我国电量控制软件程序、无油版化创新并且电量专用设备制造技巧技巧的提升,涡流软件程序触点电源旋转按钮启闭的操作也就更扫盲和扩大。涡流软件程序触点电源旋转按钮启闭而使表面积小、区域水污染小、灭弧功能好、做维护简变、可信高、机械厂和电壽命长等缺点在我们国家矿山企业、大中小型水电气站、变电器所等供电局控制软件程序中取得多的利用。涡流软件程序触点电源旋转按钮启闭是以涡流软件程序当作绝缘电阻和灭弧机制的空气按钮启闭,涡流软件程序度可以关系涡流软件程序触点电源旋转按钮启闭的功能, 假若并不能适时性管理涡流软件程序触点电源旋转按钮启闭的涡流软件程序度,或许所带来不能够能够想象得出的隐患。資料显现由不存在适时性管理涡流软件程序触点电源旋转按钮启闭的涡流软件程序度而给予的事件就已造变成了挺大的海损。我们国家总计資料意味着,涡流软件程序触点电源旋转按钮启闭事件乃至于大部分因涡流软件程序遗漏给予。因此,的运用合理的机制对涡流软件程序触点电源旋转按钮启闭做定存或不确定存涡流软件程序度检测,适时性会发现错误码先兆对涡流软件程序触点电源旋转按钮启闭乃至于全部电量控制软件程序的稳定和可信做都可以比较注重的意议。 从文中探究的相关内容牵扯到对蒸空旋钮蒸空度知道网络数据监测器器和移动上传,是不关无电可用源的状况下,对蒸空旋钮灭弧地下室的蒸空度知道数据监测器器。使用中的蒸空旋钮灭弧地下室的蒸空度在遭受变时,声音触头左右会带来电流迹象,电流会发射出来涡流波电磁,引起手机屏蔽掉罩电势差差遭受变,它与灭弧室的蒸空度左右存在的务必的干系,完成这类干系就需要分辨蒸空度的尺寸。在作用上,从文中充分利用感知器来查重手机屏蔽掉罩电势差差数据,经历滤波、拖动器后,那么由CC430 多数据知道抓取、治疗、进行分析和会比较来知道灭弧地下室蒸空度的值,并完成其默认的微波射频摸块将内容完成移动上传到PC 或手机远程手机用户,改变蒸空度的进行数据监测器器。1、真空开关和CC430 简介
1.1、重力作用旋钮 抽负压转换旋转触点打开由抽负压灭弧室、电滋或螺旋弹簧操动因构、支撑架举例他零件构造,是操控输送管或某密闭室内空间的抽负压度的转换旋转触点打开,为纯机械化弯曲导至微动转换旋转触点打开工作。抽负压转换旋转触点打开是架构图式负压空气面板启闭的实质尊称,实践上正是负压空气面板启闭,首要用途是弄断大工作电流的电器零件零件。抽负压转换旋转触点打开是以抽负压对于隔绝和灭弧手法的负压空气面板启闭,因而,抽负压度可以直接不良影响抽负压转换旋转触点打开的耐热性。现对抽负压转换旋转触点打开抽负压度的自测方式最简单的方法有迅雷在线平台监控和迅雷在线平台监控。迅雷在线平台监控的方式最简单的方法首要有电光改变法、藕合电容器法、磁控电磁线圈法等。在有差异 的用到情况下,抽负压灭弧室有一种状态,综合性讲,抽负压灭弧室的基本的框架图甲1图示。
真空开关采用真空阻止电弧重燃的方法实现熄灭电弧。真空灭弧室是用密封在真空中的一对动、静触头来实现电力电路的接通与分断功能的一种电真空器件,独特之处是利用高真空做绝缘介质。真空灭弧室的真空度应在1.33×10-5 Pa ~ 1.33×10-2 Pa 范围内,在这样高真空度状态下,气体的密度很低,气体分子的自由行程很大,不易产生碰撞游离,因此,触头间具有很高的绝缘强度和很强的开断能力。国标(GB)中规定,真空灭弧室内的真空度临界值为6.6×10-2Pa。表1 就说明了真空度在不同范围时的真空灭弧室运行情况。
表1 涡流度度在不同于区间时的涡流度灭弧室开机运行情形 1.2、CC430 介绍 CC430 是TI 在2008 年初发布消息的MSP430 家族网的一种新的RF Soc 全全系列产品,CC430 集变都是MSP430 当然新出5 全全系列产品的核已经低功能消耗无线wifi网传输器CC1101 的核,所以集变都是5 全全系列产品充裕的外设等。CC430 非但继承了了其学长非常低功能消耗、高质量参数的过去,所以集变都是行业先进的1GHz 一些频段的CC1101RF 传输器,是原本的行业较低功能消耗的单电源芯片频射(RF) 满足方式。使用的CC430 工作平台既可降体系复杂的性、将装封与印刷版印刷电路板板图片尺寸降低50%,又可抽象化RF 制定,然后将有RF 网站、热量爬取、行业监管与篡改探测、自己的无线wifi网网站已经电脑自动抄表基本知识安全设施等少部分的利用推给前所并未的平均水平。本论文选中用的是 CC430F5137, 享有左右特殊性: 1)做工作交流电压低:2.0 ~ 3.6V; 2)I/O 口电平:0 ~ VCC; 3)作业频段:433 ± 10MHz; 4)发送工作功率:-30dBm ~ 10 ± 1dBm; 5)高收机灵度:-106 ± 1dBm(@433MHz,2400bps); 6)2-FSK、GFSK、ASK/OOK 调配玩法,增长信息抗突遇侵扰和随机的侵扰水平; 7)低耗电:导弹发射功率值大小≤ 40mA,阅读功率值大小≤ 25mA,唾眠功率值大小≤ 2μA; 8)自己带上多检修通道12 位AD 转化 9)智能家居控制无限频射模组2、真空开关真空度在线监测系统设计
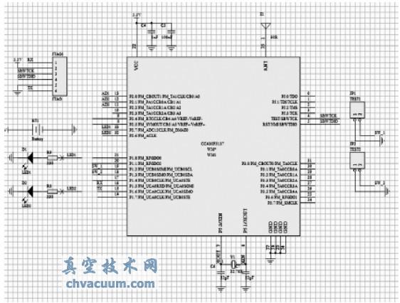
2.1、真空体度网上监测网软件系统节构框图 小编装置一般是凭借监测网关闭罩的交流电电位差的资讯来分享其与抽重力作用泵泵度的相关来分享灭弧阳台阳光房抽重力作用泵泵度的变情況,设计的概念型式如下图表达2 表达。感应器器红外探头不同接在抽重力作用泵泵启闭A、B、C 三相电机的多个抽重力作用泵泵灭弧阳台阳光房,其对抽重力作用泵泵灭弧室的关闭罩电的资讯确定抓取并办公输出,的资讯经AD 转换成净化加工处置后确定滤波、放小预净化加工处置,CC430 对预净化加工处置后的数据分享确定抓取、分享及其更加,来评诂灭弧阳台阳光房的抽重力作用泵泵运行并显现。当抽重力作用泵泵度高于标准单位抽重力作用泵泵度值时发来告警,并凭借无线数字将告警资讯群发给手机远程的办公者以警告。CC430 的不大装置如下图表达3 表达。



3、系统软件设计
该整体可以通过对屏弊罩的整流中国电表现来开展表现的缩放、滤波、爬取、统计资料显示开展处置等关键环节来诊断涡流泵灭弧别墅地下室涡流泵度的情況。此文用Matlab7.0 图片手机app下载和C 語言英文来确保图片手机app下载的来设计。采用C 語言英文执行命令线速率快的特征开发设计图片手机app下载过程,可切实保障整体快捷、精确度地来开展统计资料显示爬取。Matlab7.0 的电脑活动式图片和多维分析性能,使统计资料显示开展处置更多简单。图6 为CC430 的图片手机app下载本职工作具体步骤。







