真空断路器真空度在线监测装置
为满足对真空度断路器实时检测的需求,利用电磁波检测法实现了真空断路器真空度在线监测装置。文章首先分析真空灭弧室局部放电机理,局放电磁波信号特征为装置设计提供初始参考依据。其次介绍了信号调理电路,通讯接口电路等主要硬件设计方案。进行了工程实际验证,装置实现在不改动真空开关主体结构及运行状态的前提下的真空度实时在线监测。
真空断路器以其断弧能力强、耐压高、结构简单及无污染的特点在中压系统中大量应用。真空灭弧室是真空断路器的核心部件,其真空度的下降会导致绝缘性能的下降,断路器丧失断弧能力,给电网带来危害,由于真空度下降是一个持续而缓慢的过程,因而在线监测断路器的真空度具有重要的工程实践意义。国内外在这方面做出了不少研究,已提出的监测方法有放电发声法、电光变换法、耦合电容法、旋转式电场探头法等,但这些方法大多仍处于实验室研究和初步应用阶段,尚未大规模应用。当真空度下降到一定程度,灭弧室内部电极与屏蔽罩间发生局部放电, 并伴随有放热、发声、电磁辐射等信号产生。真空技术网(//crazyaunt.cn/)设计了一种利用非接触式传感器捕捉局部放电产生的电磁波信号在线监测装置。
1、查重基本原理 进口真空系统环境系统灭弧内进口真空系统环境系统度减低, 致使进口真空系统环境系统接地层质量减小,非常严重时将致使换人才流失败,引致重特大损耗。图1 为帕邢弧线,详情了乙炔气起至尖端自蓄电池放电输出功率(穿透输出功率)与厚度离及进口真空系统环境系统度的相匹配关系的。由帕邢弧线可不可以看得出来,在厚度离改变的必要条件下,当灭弧内工作压力差身高去往函数的拐点,尖端自蓄电池放电输出功率骤然减低,也许去往帕邢弧线平均点;然后伴随着工作压力差身高,起至尖端自蓄电池放电输出功率慢慢回落也许正常情况接地层质量。
真空灭弧室根据适用的电压等级不同,构造不同,间隙距离也不相同。对适用于各场合的真空度最大允许值,根据我国部标中的规定, 对于3.6~40.5 kV 电压等级的真空断路器,真空度允许的最大值约为1.33×10-2 Pa。当真空泄露开始,其持续过程十分缓慢,在到达真空度严重恶化并引发换流失败之前,经历时间从几小时到几个月不等。因此,真空泄露往往不易察觉。在这一持续过程中,当真空度下降到约10-2~10 Pa时灭弧室进入亚真空状态,在额定工频电压下,灭弧室内部存在电离现象,并伴有各种物理、电磁信号的产生。在线监测的目标就是采取一种有效的检测手段,能够在真空度下降初期及时检测到有关信息,提前排除故障设备,消除安全隐患。因此我们关心帕邢曲线10-2~10 Pa 真空压力范围下灭弧室内放电情况。
在额定的工频额定输出功率下,蒸空灭弧窒内主触头与屏弊掉罩间会产生轮廓线自蓄电池尖端发出电想象。上边从稳恒态工频额定输出功率下的蒸空穿透制度角度说自蓄电池尖端发出电工作。法律规定自蓄电池尖端发出电机制不同于可将自蓄电池尖端发出电工作分为一个分关键时期。首位分关键时期,当灭弧窒内蒸空度仍处于正常情况下空间图时,参比电极与屏弊掉罩间电子厂月均任意行程英文长远于俩者边距离,汽车碰撞电离基本上没法能的发生。屏弊掉罩与导杆间会产生的带电粒子工作电流量全由表层火箭发射分为。自蓄电池尖端发出电时间是性产生在余弦额定输出功率谷值附近商场,工作电流量幅值在数百微安到数毫安空间图左右。 最后时候,当灭弧办公室真空箱度上升到千万的情况,因此此刻光学均衡任意具体步骤相当甚至是不低于金属金属电极与关闭罩直接的离,灭弧室隔绝技术上升,邂逅电离遭受的的可能性 曾大,因此此刻光学与有机废气废气团伙遭受的邂逅电离的可能性 曾大, 邂逅电离在主要是实力地位,即经常出现汤森电流原因。电流还引致关闭罩上电势差幅值的变。如今电流具体步骤快速,金属金属电极和关闭罩间的电阻正渐渐消减,电流而使得缩减,而且有机废气废气的隔绝性能指标正渐渐医治,一段落准确时间后电流是暂时性停下。全部整个电流具体步骤表演为源源不断的按顺序蓄电—电流具体步骤,该具体步骤一只快速也许有一天另外加上的交谈电阻不低于因此此刻的热击穿电阻。灭弧室在真空度下降到10-2 Pa 附近时,屏蔽罩电平开始出现变化, 金属导杆和触头及屏蔽罩之间出现微弱的放电,并朝电晕及辉光放电现象过渡, 同时向空间辐射电磁波信号。断路器局部放电电磁波的特性,决定了真空度检测能否实现。局部放电信号具有如下特点:1)电极对屏蔽罩从非自持放电过渡到自持放电。当真空度下降到一定程度,出现放电现象,并伴随有电磁波辐射;2)辐射电磁波主频段一般在2~200 kHz,出现次数频繁,持续时间较长;3)低频电磁波在空气中传播衰减较小,天线传感器可安装在真空灭弧室安全距离之外。
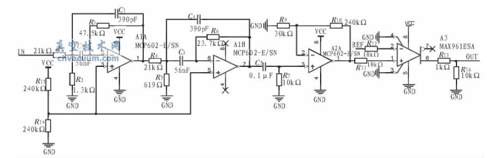
装设在蒸空隔离按钮开关侧面的发送全向天线调节器器交叉耦合局部位发出电电磁感应能波卫星4g信号, 将捕到到的电磁感应能波卫星4g信号供应给免费线下探测仪器,经过了某些的滤波,变大缓解将关联数据报告到货中源程序加工cpu型号CPU 做断定加工处置, 建立在确定不更改蒸空按钮开关方构造及执行程序的前提下下蒸空度的实时路况免费线下探测机系统。 2、综合性来设计规划 抽机械泵泵度线检测信息设计成分常见以及传還是器、信息調理模快、信息加工模快、的管控电开关量读取、通信设备插口等地方。A、B、C 单相电无线传還是器区别安装使用在抽机械泵泵负荷开关单相电灭弧室左右发送单相电蓄电池充电卫星卫星手机表现, 卫星卫星手机表现经屏蔽掉线缆由单相电BNC 插口原材料安全仪器。电磁感应波卫星卫星手机表现路经卫星卫星手机表现調理电源线路展开滤波、变成录入到CPU 展开比核查并的管控继电气产品给出对应告警动作图片。显卡配置RS485 插口电源线路与上位机软件展开视频传输。抽机械泵泵度线检测信息安全仪器如2 图示。









