偏心型止回阀的结构原理及性能特点
2020-04-28 真空技术网整理 阀门手册
偏轴距型止回阀是专门针对旋启式止回阀的缺陷:而提高工作效率的另外一种组成部分,既可增多正流时的水压折损又能避免顺流时产生的水锤冲刺。偏轴距型止回阀组成部分紧密,有比旋启式止回阀更大的领先性,在美和日本这个国家,这样单向阀已广APP。图甲1随时。

一、偏心型止回阀的特点
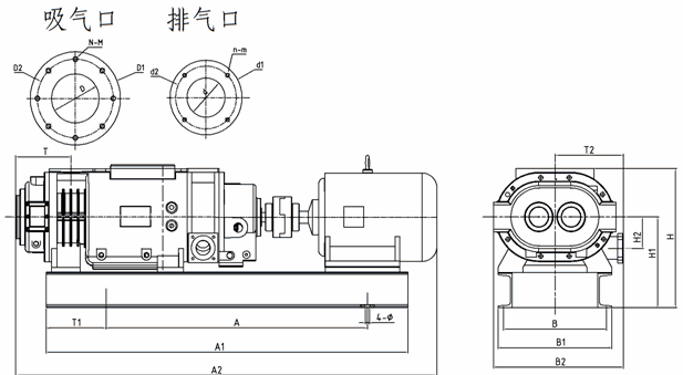
偏心距型止回阀与传统化止回阀相较较,如同下优美性能方面。 1、正流时阻碍小选取缓存板型旋启式止回阀及平稳锤型旋启式止回阀,可是定状态上增大正流时形成对流体的阻碍,但这一些的结构在各类高压大数量的供水设备设备中具水击原因情况严重的弊端。 弯矩型止回阀阀瓣的压力大,阀瓣制会导致翼形,导电介质流时阀瓣尽快揭开,正流时的的阻力小。 2、倒流时由水击的故障 存在的回落压差小在传统式止回阀上,为着阻止主要是因为水击的故障 而存在的水击回落压差,大部分会选用如一定程度增高了阀瓣的封闭力,减小或增大阀瓣开启度的具体办法,或需要考虑将封闭的速度放缓,合法倒流时有遗漏的方法步骤,但那样隔三差五,又增高了正流时的风阻,的另外倒水流量如一定程度增高了。若果要使风阻小,倒流时的水击的故障 又会进一步强化,先要的另外来解决这两位上下级内部矛盾的故障 。 扁心型止回阀,逆流式时阀瓣能应急关停,阀瓣的旋转气缸轴能装设拉簧,在流体动力时能做好更快的关停运行,与阀球及时胶封,很大的程度较上削减了由水击毛细现象而所产生的水击飙升压力值。 3、横流式时无遗漏普通的止回阀多数空间图形型密封副,而剪力型止回阀的高压闸阀为锥体形,滚针轴承部位还拥有正确的厚度,关闭系统时阀瓣可与高压闸阀重新调整对中,可得到安稳的水密性性,横流式时大体无遗漏。 4、设计狭窄,布置面积小弯矩型止回阀的阀瓣在比较敏感粘性流体的中央军事的部分来进行动作图片,由于阀体的整体结构类型髙度较低。与某些的形式比起,阀体是于筒体形,设计狭窄,侵占布置面积小。 5、无做的工作环境噪音分贝及噪声模式反力型止回阀从停用到开全及开全做的工作动态下直流电时无环境噪音分贝及噪声模式,比旋启式止回阀可靠。还主要是因为停用时有弹黄的印象,没受回流时水击的情况生成的各种压力波的射线印象,没有造成噪声模式。二、偏心型止回阀的结构和特性
1、反力型止回阀的形式 阀瓣是在进、出口到中轴线的中部内脏器官以跳动方式配置,阀瓣与阀块的碰到面为圆锥形形。 a、阀体。其结构类型如下图2图示,阀瓣以换向轴为中央开闭,会因为阀瓣是翼形的,于是气固两相流从阀瓣的下处及上方可分为俩个截流出。



2、偏心型止回阀的机械原理
如5所显示,自公司线上游戏O点引切线OA、OB与公司线导致成正比的θ角,AOB觉得阀门法兰面的锥体形。从阀门法兰世界上最大程度公称直径A点作垂线AD铅直于OA,从阀门法兰最大程度公称直径B点一致作铅直于OB的垂线与AD相交处于C,W觉得阀门法兰面的厚度。阀瓣的倾动轴建到∠BCD内,像文丘里管一样按明文规定领域移动时,在像文丘里管一样反应力下阀瓣绕倾动轴E高速旋转而打开。 传递暂停时借阀瓣产品自身重量的退出力距实行退出。















针阀的固体分销内部管道上装置有小的孔口,调高针状密闭轴和孔口的距
伐门图行标记是对伐门简单的图行标记,一般的使用制图等这个领域。伐门
完善了进口报关电磁炉炉阀的设计的概念构思表现形式,全新设计的概念构思了复合型兩位三通管大手机流量电磁炉炉
本诗故事了氟胶圈角阀和全黑色金属角阀的运行机制以至于组成举手图。
旁通夜压操作泄压阀连接在经理道中止执行回阀出口到侧的旁通管路上,与
放气阀是向重力作用腔里面接入有害气体,以破碎重力作用的止回阀(图1)。真对超
日常日常动态失衡蝶阀的办公的基本道理
日常日常动态失衡蝶阀的形式的基本道理图和办公的基本道理是
电磁振动器炉阀是电磁振动器炉电机转子通电后形成磁力链接诱惑面对弹簧片的各种压力起到阀芯行为
的调节螺栓能补尝阀芯阀门法兰密封盖面的损伤, 阀芯有一个定的活动组织度能补尝