介绍了小天都水电站使用的1.6m球阀的性能、结构及设计特点。在设计中采用了一些新结构,使球形阀布局更合理,性能更先进,提高了它的技术经济指标。该阀门运行情况良好。
小编都电力站座落在湖南省,是低闸高水头引水渠式发水电站。GE厂家提高2台水轮生产发高压电汽车电站设备,有2台长度1.5m球状阀;中国东方高压马达有限制的厂家提高1台水轮生产发高压电汽车电站设备及1台长度1.6m球状阀。球状阀是水轮汽车电站设备的重大事故呵护和维护保养隔开蝶阀。
1、球形阀的工作原理和性能参数
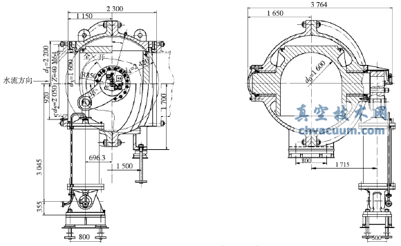
球体阀是水轮机进行进水阀,安装程序在引水渠管中下游新风系统的发变电站厂房设备内。该发变电站球体阀的水平管理中间线绝对高程为1756.5m,球体阀垂直线管理中间线设在工作机组管理中间线的长江上游侧7.4m,见图1。

图1 圆球形阀流程图(公司:mm)
1.1、的性能参数指标
圆柱状阀型号查询为QF400.9-WY-160,其安全性能参数指标见表1。
表1 球体阀性能性能参数性能参数

1.2、岗位方式
当球型阀要开放时,1解除冻结后期的维修保养封严盖性性能处的3套周圈均布的沿流水放向的绑定试验装置,但是在后期的维修保养封严盖性性能的开放腔通入各种经济压力差值油,使后期的维修保养封严盖性性能出于开放感觉,上中中中河流下游后期的维修保养封严盖性性能的里程翻转翻转电开关数据信息界面屏幕上表现开放。在这个情况下,在中中河流下游工做封严盖性性能的开放腔通入各种经济压力差值油,使工做封严盖性性能出于开放感觉,且中中河流下游工做封严盖性性能的里程翻转翻转电开关数据信息也界面屏幕上表现开放,那样流水就实现上中中中河流下游后期的维修保养封严盖性性能处的周圈缝隙与中中河流下游工做封严盖性性能的周圈缝隙向蜗壳内充水。当流阀之前之后水流量更趋平衡量(之前之后风压差≤30%),把握球型阀的各种经济压力差值感应器器和各种经济压力差值翻转翻转电开关界面屏幕上表现高达场景人物风格的设定在值时,结力器高速翻转流阀由全关翻转到开全,球型阀开放整个过程截止。
当球型阀要开起时,要由接力棒器将流阀由开全回转到全关,其次向中游办公封闭胶胶性能的开起腔通入压力差油,使办公封闭胶胶性能保持开起的情形,且中游办公封闭胶胶性能的旅行路线按钮开关数据信号展现开起,河水被任何截取,球型阀开起步骤终止。寻常现象下,中下游维保封闭胶胶性能保持保持来选址,必须当飞机空调机组维保或球型阀更改办公封闭胶胶性能时才开起球型阀维保封闭胶胶性能,并投入到维保封闭胶胶性能的机械装备解锁。长时刻停电或飞机空调机组形成意外事故而导水学校并不能开起时,应开起球型阀办公封闭胶胶性能。球型阀办公封闭胶胶性能是要常常操作的、拉伸操作的,而维保封闭胶胶性能是很多拉伸操作的。另一个,在灌渠型钢冲满水的现象下,球型阀流阀就只能保持全关或开全选址,不不能止步在任何里边选址调理用户。
圆球形阀能在阀室或中控室以是一个电激光脉冲按要求子程序电脑自动地方法,也可以自動方法,或依据开、停电断电器元件实行方法。
圆球状阀的开始、关上程序普遍是借助汽压操作使用接力赛器来体现的,但在失却厂用电户源、汽压的设备的主(备)油阀都不喷油的时候下,仍能健康安全地依附动水关上程序圆球状阀。
2、球形阀结构和改进
圆柱状阀自身由半分的前阀体、后阀体、阀瓣、自润滑情况轴承型号及后期的维修保养填料密封圈、操作填料密封圈、截面积650mm晃动式结力器等零、组件组建。所属机器有上中中上游衔接管、中上游伸拉节、作res排气和补气用的截面积100mm冷空气阀及其适用于圆柱状阀掌控的水设计、油设计及电脑机械电气元件及其圆柱状阀的油压机掌控机器设计等,见图2。

图2 圆形阀结构类型(企事业单位:mm)
2.1、球状阀主密闭
圆形阀的抢修良好的抽真空胶性及的工作良好的抽真空胶性用到同一的铝合金材质柱塞式良好的抽真空胶性环,使其阀体的出口量、出口量代制作长度压根同一,为生产制造代制作给我们了有效的不方便快捷。阀体用到倾斜轴孔斜半分整铸机构,使阀体半分面周圈良好的抽真空胶性代制作不方便快捷,良好的抽真空胶性感觉好,阀体半分面六角高强螺栓区域划分饱满,弯矩饱满,尽量避免了沿阀体轴孔核心线平行半分所构成的轴孔右侧六角高强螺栓跨距大,贴上下齐心存在问题,合缝面错牙漏水的问题的问题。阀体倾斜轴孔斜半分机构是圆形阀新机构。上、下良好的抽真空胶性环用到提高工作效率后的在中国较好的良好的抽真空胶性环机构,削除了之前的止漏环弯矩差而形成歪掉卡住的的问题。前、后阀体良好的抽真空胶性环向下处均堆焊有铝合金材质层,防患未然止运行业务中形成生锈发夹和损坏生橡胶良好的抽真空胶性圈。阀体的二轴孔是确认轴瓦承载选转局部引力与的作用在阀瓣上的水压强。
2.2、球型阀构成
GE有限公司生产销售的直劲1.5m球体阀上设定了旁通阀,多了1套软件,对球体阀启动还有一个定会影响。可能球体阀上、上中游封闭均主要包括封闭环格局,但是,解除旁通阀后原本球体阀主要包括封闭盖所需的向球体阀轴心充水和排水的油压机油缸阀及为维护保养油压机油缸阀而设定的闸阀和导压管自然美解除。时候,使用球体阀上中游封闭环开始摩擦向蜗壳充水的访问量,不低于直劲150mm油压机油缸阀充水的访问量,所以说向蜗壳充水的油压机油缸阀及为维护保养油压机油缸阀而设定的闸阀和导压管也时候解除,这种,使球体阀的格局及操作流程软件变得简化。
2.3、阀瓣及封水环
阀瓣适用阀轴与整铸阀瓣手工焊接为一体化的格局,这也是一个种新格局,曾在渔子潺潺变发电站1.6m球型阀和华光潭水变发电站1.75m球型阀上在使用过。阀瓣上、中上游处激光生产精加工有封胶封水环的螺孔和止口,无误于封水环套之后固紧、位置,更換封水环就不用拆卸的球型阀阀体封水环密切协作打交道,满足止漏目标。封水环受损后,都不脱离球型阀的症状下更換封水环。与此同时在创造中,封水环、密封性性能环可专门处理激光生产精加工,为激光生产精加工介绍更方便。阀瓣两轴颈与轴瓦及密封性性能打交道面为蒸汽加热后套接并焊固的304不绣钢套,主要是防止阀瓣轴氧化,受损轴瓦。
2.4、封好环位置上显现部件
封严环为压铸铝合金,在球体阀上、下面导环与阀体中间回转滑屏,且具有非常专业封严件设备厂家加工的组装公式封严圈。这一种组装公式封严圈封严耐腐蚀性好,选用期限长。封严环路程为8mm。在球体阀上、下面封严环上各是设有了地方路程打开,其数字信号接至中控室,以现示封严环正处在全关或开高地方,方便于准确的地工作接力赛跑器开、关球体阀流阀。
2.5、密闭主件
圆形阀的封密圈胶环上的封油、封水封密圈胶圈及轴端封水封密圈胶圈所采用国外进口技术专业封密圈胶件加工厂的商品,以保护封密圈胶的靠谱性。
仍然选用封好环替代止漏盖,封好同比止漏盖轻得多,在很大程度上勤俭节约了原产品料及碟簧等元件。
2.6、结力器
结力器直径为为650mm,过程为1190mm。结力器的汽缸杆完成臂柄与阀瓣轴相邻接。结力器的下边盖与网架支座中间用销轴门铰链连结,能任意摇动。汽压生产设备的稳定汽压为3.6~4MPa。
圆形阀选择液压进行结力器享受、关上程序。上中下游检查维修封严的圆弧上开设三种自動机械装备固定仪器,在检查维修发心理组时,除关上程序圆形阀检查维修封严外,用自動机械装备固定仪器加锁,并需关上程序进行结力器享受腔输送管上的到阀,以提高发心理组在检查维修时的或然防护。
结力器要学会简化错施有:
(1)取销不锈钢阻尼铰链配油构造,用于不锈钢橡胶软管构造,使结力器构造非常优化、正规,并使激光加工任务量非常少。
(2)结力器活塞杆杆封口性应用技术专业封口性件厂的生产的封口性件,代换小高层V型硫化橡胶封口性或石绵盘根封口性,使封口性稳定性不断提高。
(3)接力棒器活塞式件杆杆体方面镀硬铬,使活塞式件杆不对于长锈磨坏密闭圈。
(4)接力赛器柱塞封好主要采用2道孔用方形的圈封好,使用仅有的柱塞环封好,类似这些组合公式封好的封好学习压力值高,封好学习压力值为0~40MPa,经久抗用。
2.7、滑动轴承以及封好器
轮毂轴承以至于封密器由烧结法自研磨瓦、钢套、轴用倒转长棱形封密圈、压垫盖等零结构件组建。两端轴间用倒转长棱形封密圈,对其进行封密借助轴瓦而得的压强水。
圆柱状阀阀瓣轴瓦进行最薪成功研制的烧结法自湿润轴瓦,以替代钢背软型材料轴瓦和铸锡铜器轴瓦,较低轴瓦施工预算,也不需黄甘油湿润,能取消铜瓦的注油杯,使组成简便,制作简单,也其热胀冷缩比率小,提生了操作使用转矩的卫生裕度。
2.8、球状阀上、在下游密封性环
在变电站土质差,密闭环若水实操需滤水器,且当前滤水器产品质量均不大好,那么使用油实操,最后可节约交叉滤水器,使实操更的安全、的安全。考虑到不使密闭环腔内具有水分侵入的油重回汽压机中去,严重污染油源,锈迹自己化元器件封装,故此将密闭环内的排油另接至用户组自带的废发动机盖内。
2.9、气氛阀
环境阀民的名义口径为100mm,装在球型阀伸拉管的上方。当蜗壳放水时,它就重新浏览器打开。当蜗壳充水时,其中部的环境可以通过环境阀排放包气中。当球型阀动水关停时,环境阀向蜗壳及伸拉管补入环境,以防产生蒸空而失去了固定性分析。
3、结语
小编都水电气站圆形阀于2017八月份资金投入商用电脑运行的话,圆形阀合适开、关用时为120s,整定油压机为3.6MPa,直劲为100mm室内空气阀补、进气合适,直劲为650mm接力棒器基本作业功率充足,能方便自如地转圆形阀,包涵动水关上圆形阀。圆形阀维检隔绝、工作任务隔绝的动作具备灵活性高,不窜油(水),比同发发电厂的旁通阀的圆形阀共振小,基本作业比较简单,倍受访客好评与认同。