1、概述
国内某核电站自商运以来,反应堆硼和水补给系统制硼罐出口隔离阀( 球阀REA180VB) 已累计发生了近10次故障,其中有3次是出口聚四氟乙烯(PTFE)阀座破碎的情况。经调查,其他核电站同类阀门也存在相似的故障。这是一种重发和共模事件。
2、系统配置
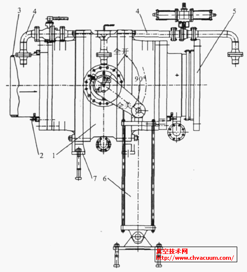
球阀(图1) 压力级别为150磅级,插套焊接。阀体、阀盖和球体材料为Z2CND18-10,阀门的非金属部件有PTFE 阀座和三元乙丙橡胶(EPDM) O形圈,阀门的设计温度为-10 ~ 180℃。球阀作为补给系统制硼罐出口隔离阀,位于REA001TY 管线上(图2)。球阀因故障解体检查时发现,出口侧阀座已经破碎,入口侧阀座的结构还比较完整(图3),阀座和阀体的EPDM 密封O 形圈已变形,无弹性。为了防止硼结晶,管线上安装的硼加热系统(RRB)设有正常加热电路和应急加热电路,以确保含硼管线的温度在硼结晶温度以上。正常和应急加热电路电热丝(RS)的启动和停止通过温度开关(ST)控制。正常加热电路在温度低于77℃ 时启动,高于82℃ 时停运。应急加热电路在温度低于72℃时启动,高于77℃ 时停运。当应急电路投入时,中间控制室会发出应急加热投运报警(RRB301AA)。此外,REA001TY管线有独立的测量通道(RRB001MT)进行温度监测。加热系统的传感器安装在球阀上游,设计上是以该位置的温度值控制正常和应急电路的启动和停止。

1.O 形圈 2.阀球 3.阀芯 4.阀体
图1 球阀
发热器丝材质为2-A-08-I,宽度4.7m,工率电阻为21.1Ω,工率为4.16A,工作中电压为72V,工率为245W±15%。热传导物料为多飞特耐热合金(TOPHET),包壳物料为不锈钢涂料,规划的最大工作中温湿度为600℃;实际计算公式查出20℃下发热器丝的最大温湿度为225℃。REA001TY 输水的供水管道上就止回阀到制硼罐两者配有隔热,隔热内的输水的供水管道和单向阀缠有发热器丝。相应供水管道的尺寸均为2in.(50 8mm) ,焊接钢管壁厚为2.77mm,物料为L304。

图2 与阀门相关的仪器布局
3、现场温度
三通球阀有出现故障过后,应先对其有关系线管的溫度对其进行调查方案,涉及到在线测试节点溫度和止回阀修理后的施工现场溫度在线测试跟踪目标。
3.1、測量工作区体温
从电厂密集数据资料净化处理系統(KIT)查找的检测工作区重复1 年的输油管线平均体温表不同现象下(图4) 所知,不论什么是无制硼运营或制硼运营时期均沒有知道平均体温表超过了80℃的现象下。无制硼运营时期(罐中为除建议使用淡氯化钠配合),检测工作区的平均体温表在72℃左古,制硼时期(罐中为含硼水) ,检测工作区的平均体温表举升不同凸显。这是担心某一起传硼开始后,必须补足平均体温表较低的除建议使用淡氯化钠配合,故而制硼罐体平均体温表下跌很快,其志根据水箱体高温器的投产,平均体温表很快下降。
在传硼前三天,检测工作区测定的较低气温大局部压低60℃,压低作为应急的方案响应指挥回路开关的进行气温72℃时,对此应冒出作为应急的方案响应指挥升温投入运营警报,但正常运行进行操作信息中不会有警报信息。实地现场询问警报盘灯异于常,是调整前三天作为应急的方案响应指挥警报手机信号线接反,产生一个升温体统作为应急的方案响应指挥警报未能发布。

(a) 进口商侧(b) 通道口侧
图3 损毁的PTFE 阀球胶封件

图4 量测缓冲区热度发展现状
3.2、维修部后现象湿度
闸阀点检后两端气温相差太大很高(表1),河流下游端气温在没了按装保热的现象下逐渐比较敏感蝶阀的最高的人设计的概念气温180℃(图5) 。但校正安全出填报志愿系统中根本没了提示 出管路气温高达100℃的现象。定性分析确立,因校正安全出填报志愿系统按装在闸阀的上中下游,而制硼罐一般 都充有除淡盐水( 约1.5m3 ) ,且通时尚,,因此闸阀上中下游的具体情况气温没能高达100℃。校正安全出填报志愿系统的评估纪录证实,测点地址的气温均超过80℃。填报志愿系统侧的气温为80.6℃,仅比制硼罐储水罐的水溫高约10℃。
表1 三通球阀需要维护检修后溫度℃

4、原因分析
4.1、出口到阀门法兰摄氏度超多
PTFE通常选择热度-200 ~ 260℃。熔融热度为327℃,热度过高(390℃这些) 会加快和提升PTFE的分离。从阀块残破概述,销往阀块的热度最少达成了熔融热度,才行显示“辊道窑”状残破。变电站集中在数据库办理软件查询网站最终意味着,无制硼进行时期在测量路通道精确测量的热度72 ~ 80℃。这样热度面积内,管道有颗个高温电源电路(正常值或急救) 在加载,即有一款连续时间的供暖系统。原因有连续时间的供暖系统,就也有2种会的故章形式 形成闸阀销往阀块密封隔绝件热度已经超过180℃。

图5 维保后不锈钢球阀室温测点的位置上
(1) 第4 种现状
三通管道阀门中在下游污水管未充斥着水,导至三通管道阀门用于出口值到高压闸阀良好的抽真空性件与他中在下游污水管在干烧实计现状下。换热学核算体现了,传热实计现状下,正确电加热器丝把制硼罐1. 5m3 水的溫度由25℃变高到82℃而撤出启动还要3.65 天。而若三通管道阀门与止回阀期间无水,无水污水管由25℃完成电加热器丝较高溫度225℃的时仅为0.78h。实计在不会有隔热保温的实计现状下,管道阀门用于出口值到侧的较高溫度已达177℃,说明白高压闸阀用于出口值到良好的抽真空性件在污水管未充斥着水的实计现状下,其已超设汁溫度的有机会性很高。
(2) 第2 种具体情况
不锈钢蝶阀中在上上下游管网充电水,不锈钢蝶阀与中在上上下游3 个丢开阀相互间的管网建立半个封闭服务器服务器。的理论上,在电暖丝的快速煮沸下,封闭服务器服务器的热度、经济压力将不间断上升,这累似于伐门的煤气工业锅炉燃烧因素。但真正情況,是因为电暖丝仅仅在水上侧煮沸,不容易前提水的热对流制热,只顺利通过热肌肉收缩制热。封闭服务器服务器内,不锈钢蝶阀中在上上下游有保溫的管网宽度为2750m,无保溫的管网总宽度为13088m,三者的量相差太多约4 倍,即,水冷散热处理比煮沸面积计算大4 倍。那么,优质的,水冷散热处理会使前提煤气工业锅炉燃烧因素的会性非常渺小。路过定性分析,在会有不间断主轴的情況下,若不锈钢蝶阀中在上上下游未充电水,阀门法兰出口到封严件的热度不超结构设计热度而划痕的会性很高。
4.2、阀体上中游充水毛病
( 1) 传硼基本操作的作用
制硼罐传硼模式有趋势传硼和重能力能传硼2 种。针相对于重能力能传硼,其是通过重能力能更好性将制硼罐中的水水溶剂传递到贮藏罐,以解决将残存佐料排向核岛的进气和疏水系統性(RPE)。在一些时候下,需求减小此类贮藏罐中惰性气体履盖层的学习经济的压力,但学习经济的压力不能够小于0.02MPa。从设施地点上看,阀体标高为13.55m,比发收罐的高液位13.12m 高0.43m,但发收罐里0.02MPa 的惰性气体学习经济的压力是可以使001TY 管网的液位超过了阀体。针相对于趋势传硼,其是用硼酸泵将制硼罐中的水水溶剂传递到贮藏罐,以解决排去贮藏罐的惰性气体履盖层。为放到气蚀,硼酸泵防护跳泵时,制硼罐约剩20%的水水溶剂。所有,尽管使用那中模式传硼,选择涉及的规范需求和系統性制作,阀体河流下游都应当是满水的。
(2) 的设备拆除检修保养的直接影响
按照火电站的工作任务具体流程,以便处理硼沉淀,有关于机械主设备试运前,首选是电暖器器丝和保溫的回装,电暖器器丝配电,后来算得机械主设备充水resres排气口。对此不锈钢不锈钢闸阀后期的维修保养后,试运电暖器器丝后到充水resres排气口运作在这个期间里,不锈钢不锈钢闸阀中下游管网是未充滿水的感觉。与此同时,不锈钢不锈钢闸阀后期的维修保养后的接触隔離运作电脑指令,不会对管网充水resres排气口的追求。
(3) 接受到罐隔开阀渗漏
致使读取罐里的氢气负压多于0.02MPa,但是殊不知贮藏罐底部隔离阀泄密,蝶阀下面都必须是满水的。考虑到不同情況,蝶阀拆解查验再运用时,下面污水管将有块段时段未电池充电水。
4.3、阀块毁损事件
基于解析,止回阀超装修方案的温暖造成在电热器丝试运后至闸阀第四 次动用前。正常工作系统维护到位从移除屏蔽开到到位传硼约14h。洗去制硼日期、化验单日期、线下日期和传硼日期,维护完了到已经开始第1 次传硼的日期距离约10h。由于或许推算,在止回阀上河流中下游无水的现象下,PTFE 阀块或许在10h 以內造成击碎不起作用。当外贸出口阀块击碎后,止回阀现身了内漏,管道趋于稳定满水睡眠状态,由于管道的的温暖将压低止回阀装修方案的温暖。闸阀内漏都是不加容易挖掘的,所以其上河流中下游以及常关的屏蔽开阀,且制硼罐的液位现示控制精度较低,就算止回阀造成内漏使上河流中下游管道具有水,制硼罐的液位急剧下降也很多,义表现示打不上不同。时间推移后期的程序运行工作,止回阀将造成外露。
4.4、定性分析
从球阀出口值值阀块细碎的事情和的主要原因分析阐述(图6) ,可能会会造成出口值值PTEF阀块划伤的会直接的主要原因分析是球阀中下游供水管道的温暖高达球阀设汁温暖,本身的主要原因分析是温暖电开关的设汁位子长期存在弊病,会造成电加热丝可以要及时撤销。而且,程序流程标准要求不要明确,供水管道温暖评估的缺乏是重要的的促进重要因素。

图6 闸阀出口处PTFE阀块粉粹的故事和主要原因原则图
5、改进
活动现场借助进行改造方案将溫度转换开关部件装在三通蝶阀与止回阀之間的地埋管内,挨着三通蝶阀外贸出口,这些,即使遭受管网未具有水的症状报告,怎么样才能恰当抑制001TY 管网烧水器的开关,必免溫度以上装修设计溫度,应对经常出现阀门法兰抽真空件遭受粉碎的症状报告。加强完后的溫度自动测量报告单表述达到了了期望报告单(表2),管网溫度探测的能力也找回了健康。
表2 改正政策后的阀体摄氏度检测现象℃

6、结语
食用基本的原故分折的方法步骤已经经成了发发电站错误码分折的另某个基本的请求。另某个专用系统的错误码,原故是各等方面的。大多数过程中,专用系统故障的原故很比较容易简易地归互称专用系统电磁阀选型失误,几率经由专用系统换型来解決的方法的方法的方法专用系统故障。举例本领件,发发电站也是是可以经由选用种作业室内室温更强的阀体有一些的款式的调节阀来解決的方法的方法的方法该故障,但这些解決的方法的方法的方法小妙招很或许获得的的故障。经由基本的原故分折后,不仅经由简易的优化室内室温按钮开关控件的位子,就解決的方法的方法的方法了这些发电站短期普遍存在的故障,的代价很低且不会暗藏的风险控制。这样,运作有一些基本的原故分折的的方法步骤,搜到致死案的基本的原故,性能有造成性的拟订较正错施,制止致死案的从复遭受。