煤气化装置水煤浆气动控制球阀的设计
2014-08-07 叶建中 超达阀门集团股份有限公司
说了煤气灶灶化妆 置水煤浆手动调控阀门的探析的时候,定性分析了煤气灶灶化工厂况系统性的关键技术水平重点难点,列出了商品国食品牌化探析的到底应对方案怎么写,并对商品节构的设计的估算提起了新的设想。
1、概述
水电天燃气化妆 置的水煤浆是由55% ~ 70% 有所差异堆密度划分的煤,29% ~ 44% 的水和约1% 的生物加剂光催化原理而成的搅拌物。水煤浆媒介中含大量的硬性粉状颗粒状,都有着有较强的应力比浸蚀,还都有着高温油田、油田的优势,最易对电动阀门发生磨坏、水蚀、堆积及卡塞。软抽真空箱三通阀门及普遍的硬抽真空箱三通阀门没能在该情况影响期靠普应用软件,如此,真空箱工艺网(//crazyaunt.cn/)判定水电天燃气化妆 置水煤浆耐腐三通阀门的学习和激发一概常至关重要的。2、技术分析
液化气灶化妆置水煤浆污水管球阀似的来说划分煤浆污水管第2 断开阀、煤浆污水管第2 断开阀和煤浆污水管出液断开阀。煤浆污水管的实际操作负担或开启气体压力似的来说达到6. 5 ~ 13. 5MPa,生产温度表似的来说为60 ~ 425℃,加之导电介质中富含过多硬性的混合物颗料。但是,为确定液化气灶化妆置水煤浆污水管球阀的持久的安全、不靠谱和安全在使用,需求能克服球阀会出现的两个新技术突破点。 (1) 高实操压为生产生的速度还是流动性媒质极更易对球体、阀块和阀腔,格外是球体构成极强壅水和磨坏,会导致球体和阀块密封圈生效,可能报废不能使用。 (2) 煤浆媒质易于黏结在球身体表面面,有铜阀就没有办法开启或开启。 (3) 煤浆内的体积小气体顆粒很易于来到到阀杆和轴套内部组织,阀杆长耗时在聚氯乙烯塑料气体顆粒的磨擦运作下加快偏磨,出现轴套和阀杆开距不停的提升,以至是无法运作。 (4) 煤浆内的的细小固体颗粒物颗粒物还可能会入驻到阀门法兰正反面,将弹簧片室塞满或卡塞,使阀门法兰不了平常运行。 (5) 超高压媒介生产生的高密封带比压或是气体小粒生产生的高滚动摩擦水头损失,致使高压阀门须得大些的进行进行最大功率,而大进行进行最大功率的来执行控制系统之所以造成 安装支架区域变化、阀杆形变或扭断。3、结构设计
重要性水煤浆物料的亮点和技术设备重点难点,利用了气动系统金属材质密闭抗刮蝶阀组成部分的制作( 图1) 。 (1) 刮刀式阀块结构设计。在闸阀开关步骤中是可以自己化刮除曲面上的其它杂物,自己化清潔曲面。 (2) 高压闸阀侧面板簧打开的机构。以弥补考虑到工作温度变发生零安全装置的发生形变,尽量不要高压闸阀发生卡塞症状,以及弹簧片腔室用于防砂的机构制定,坚决杜绝了液态粉末或沉淀物的破坏。 (3) 防侧向偏移量功能表下上撑起、轴结构特征。阀杆才可以经受物质变强的侧向转矩。 (4) gif动态反力组合悬浮填料密封性能设备构造。会保证 对组合悬浮填料智能给予酌情的惯性力。 (5) 防屈曲摆动支撑杆组成。应对一个多般支撑杆组成简易造成下达设备与气动阀门拼接晃动甚至会剥落的较为严重的缺点,避免 了巨大的的液压泵或下达设备屈曲力增加下达设备、阀杆、支撑杆、球体和高压闸阀等比较地址的成功率性。
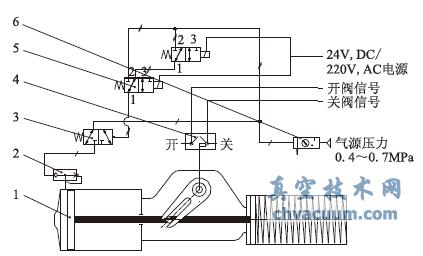
4、执行机构及其气路设计
为高于系统化顺控的规范,体现球阀的快捷开起和关掉,相应使球阀防范卡塞和控制侵蚀,并高于ESD 性能。通过制作规范,运用了拉簧恢复的自动完成组织机构,以体现球阀的快捷锁闭和安全管理基本操作。一般气路制作操作过程( 以FC 概述) 见图2。 (1) 调节阀 重置时,电滋阀1通电的业务上,文件压缩视频大气經過滤减压的方法方法阀的过滤清洁和减压的方法方法后用电滋阀无法气有效传感器的先导阀。先导阀的业务上的同時推动气控阀主阀的业务上,文件压缩视频大气旋即用快排阀步入手动履行贷款机构的汽缸内安装驱动调节阀 ,是直到调节阀 几乎浏览器打开。 (2) 当涡流阀失电或汽源失气时,液压履行医院内层的拉簧马上会自动操作,将汽缸内的进行压缩水汽随便从快排阀快捷代谢掉到十足,提交快捷开启蝶阀的工作,赶回到设计的稳定地段。5、工艺控制
(1) 电动阀门产品 流道喷涂料硬质的镍钢防护层,处理了材质的剧烈水蚀和磨损情况。 (2) 动紧密配合处均做相应的疏松治疗,保障长期性的耐磨涂层性能指标和使用的可信度性。 (3) 球体和阀球所采用喷焊或喷砂的通户工作办法,对抗强度≥60HRC,三者相互间并还具有特定的对抗强度差,确认长期性广泛应用的耐磨损安全性能。 (4) 对球体和阀块抽真空盖面选取搭配考虑的处理,提高抽真空盖面吻合器度提高100%,使闸阀的抽真空盖等级分是可以提高ASME B16. 104 /FCI 70 - 2 中规定的Ⅵ级符合要求。
6、设计计算
就水煤浆油路分配器操作阀门的设汁测算都可以应用老式的的经验表达式测算法和局限元分析一下法相紧密联系开展。6.1、经验公式计算法
水煤浆自动操纵闸阀的测算顶目及经历公试可选择表1 做出。 表1 计算方法创业项目及计数公式
6.2、有限元分析法
在传统化经验值表达式确定法中,来说球体、三角架等的确定和校核十分多样化,这样,会按照不足元概述法相搭配的做法确定。 (1) 球体 会按照合理食用具体情况,应该从球体的前面和web后台直接产生设计方案条件的学习压力和承载能力,并对球体的总压扁量、等边际效应力和平安指数来计算和研究分折。从图3、图4和图5 中还可以形象化地推算出球体有几个不一样等方面的研究分折结局。




















介绍书了高温环境硬封闭隔绝阀门的封闭隔绝作用,定量分析了种种硬封闭隔绝阀门的阀块结