通过研究提出了一种通过测量屏蔽罩的交流电位,即屏蔽罩上积聚的静电荷数量,来检测灭弧室真空度的新方法。研制了电容分压器式的电场探头测试静电荷产生的交流电场。该装置通过监测真空管屏蔽罩交流电位的变化来监测真空度的变化,结构简单、成本较低,克服了pockels 等光电探头的晶体元件温度不稳定的不足,测量可靠、便于安装,是一种功能比较完备的实时在线监测装置。
时不时今年以来,换流站站高电压供电系统室中的高电压按钮按钮按钮柜体进口重力作用按钮按钮按钮会因为进口重力作用管进口重力作用度劣化影响绝缘层平行回落而导致的按钮按钮按钮遭受爆炸死亡重大事故时有遭受,一方面导致电力系统的死亡重大事故停电了有时对换流站站巡回检查工作人员形成生命力隐患,为这件事选用互动交流抗压法对进口重力作用按钮按钮按钮进口重力作用管进口重力作用度实行的检测,该方案适用于为进口重力作用按钮按钮按钮进口重力作用度是否有达到关于 的标准标准的真接判据,但唯有提高一款直观直接确定,难以确定进口重力作用度變化市场需求,更难以对通电模式下的进口重力作用按钮按钮按钮机器设备实行进口重力作用度网络监测网。
激光脉冲磁控发出电法是现重力作用旋转按钮触点转换按钮重力作用度查测仪中多见的适用的技术,该技术精确高、反复性非常好,是该技术就是种离线下载查测技术,查测时须要旋转按钮触点转换按钮关掉运转转换成维修壮态时才华方案。适用系统设计冷阴离子磁控发出电法的评估传动系统设计对重力作用管重力作用度做查测,就可以对重力作用度變化条件实施即时线下评估,但方案评估时须要在灭弧室静触头端密封性侧板上添装个微的重力作用度感知器,对重力作用旋转按钮触点转换按钮灭弧室立即做拆除,故此,该传动系统设计不才能对直播 都进入运转的各类高压旋转按钮触点转换按钮柜上重力作用旋转按钮触点转换按钮重力作用度做线下评估。
机械泵控制启闭机械泵度迅雷在线探测基础是在控制启闭有电睡眠程序且不替换控制启闭构造性构造的现状下,无论怎样其存在启动或热紧急睡眠程序都也可以实时公交探测其机械泵度影响现状。光学子放大法是也可以需要满足这一请求的是一种探测方案,但组合而成其光学子感应器的光学子单晶体感知部件热平衡性较低,得以改变控制启闭箱内温度上升影响,一起,与该电场线感应器生活设施光学子的信号改换设配的成本较高,无从大面積线上营销。
今天共性电压热边际效应等现状致使的各类直流电转换电按钮柜中温相对比较高的现状,特别是是在电力高峰时分加热器端差时分,转换电按钮柜中部温要比变配发电厂各类直流电供电系统室内温底于多,当前能满足需要各类直流电转换电按钮柜中抽真空箱转换电按钮抽真空箱度再线评估要的评估机械普遍存在热安全性能差,成本低保险费用高等教育困难,作为属于了温安全高、新风系统工程造价预算较低的再线评估传动装置。
1、真空度测量原理模拟实验
方案好几个套虚拟低压电源开关柜中真空控制系统管运作自然环境的试验报告控制系统如下图1 表达。

图1 真空泵度监测站实验英文设备图
该系统可以控制模拟真空管内真空度的变化,主要包括真空校准系统、真空管运行环境、真空计、调压系统。真空校准系统采用两级真空泵构成,利用真空泵可以将灭弧室抽到正常运行时的真空度,此外,真空腔内的真空度可通过调节阀微量地调节;调压系统可以改变加在真空管动静触头之间的电压。实验时将本真空监测装置直接贴在真空管的外壁上,调节并保持真空管动静触头两端电压,通过调节阀改变真空管真空度的同时,利用本真空度在线监测装置对真空管真空度进行监测实验。
2、监测装置硬件设计
2.1、监测技术系统设计组建及工作上的基本原理
直流高压启闭柜上高压气度管高压气度度线上检测装备,收录电阻藕合器、电阻分压器、走势捕捉集成运放、精细加工整流滤波集成运放、压频转成集成运放、微治理 器单园、光控警报单园和电力网单园。电阻藕合器是由几块高磁导率一样的铝合金的铝合金板分为,期間由相同物质电阻分为的电阻分压器联接,交换交变电场走势由电阻分压器高压低压臂采用双铜绞合线引入至走势捕捉集成运放,捕捉走势经走势线视频传输至精细加工整流滤波集成运放,经整流滤波治理 后复制至压频转成集成运放,由压频转成集成运放将整流滤波后的走势转成成次数走势,次数走势经光耦隔开后送往微治理 器的捕捉到单园,微治理 器采用I/O口与光控警报单园相联接,采用设定串口通信与电力网单园相联接。

图2 检测系统设计进行高压端控制模块框图
在综上所述平衡提升装置中,电阻(电阻器)器交叉合体器的两根铝合金质板相互中由绝缘层子支持力进行固定,其距离感快慢可利用触点启闭柜上具体情况空间区域区域面积而定,电阻(电阻器)器交叉合体器的做用是交叉合体髙压触点启闭屏避罩空间区域区域电磁干扰红外感应磁场的表现灯,电阻(电阻器)器分压器是由3个同类物质的高容抗电阻(电阻器)器电阻关联搭建,涉及8个髙压臂电阻(电阻器)器和6个低电压臂电阻(电阻器)器,挨近真空系统管管厚的为髙压臂电阻(电阻器)器,髙压臂电阻(电阻器)器与铝合金质板相互中有电力电气开关联系,两个人低电压臂电阻(电阻器)器与髙压臂电阻(电阻器)器电阻关联后与另1块铝合金质板相互中有电力电气开关联系,经电阻(电阻器)器分压器分压后的互动活动磁场的表现灯与屏避罩互动活动电磁干扰电位差面积呈正比,该的表现灯由两低电压臂电阻(电阻器)器经双绞合产生,产生的表现灯联系至的表现灯捡东西电源线路,的表现灯捡东西电源线路经整流滤波和压频转型后联系至微进行CPU,该平衡提升装置微进行CPU进行了DSP2812来顺利完成的表现灯的进行操作深入分析。
2.2、4g信号选中电源电路设汁
本提升装置中手机数据信息捕捉线路的包括角色是捕捉滤波滤波滤波电容(滤波电容器)(滤波电容(滤波电容器)器)(滤波电容(滤波电容器)(滤波电容(滤波电容器)器)器)器分压器的制样端线电压降降手机数据信息,将滤波滤波滤波电容(滤波电容器)(滤波电容(滤波电容器)器)(滤波电容(滤波电容器)(滤波电容(滤波电容器)器)器)器分压器分压始终保持的交叉解耦端线电压降降手机数据信息无模糊性地提取,并完工分压交叉解耦端线电压降降手机数据信息与事后手机数据信息厨卫线路间街接。一样问题下,手机数据信息测试线路从高容抗的滤波滤波滤波电容(滤波电容器)(滤波电容(滤波电容器)器)(滤波电容(滤波电容器)(滤波电容(滤波电容器)器)器)器分压器中制样得出来的联络电电端线电压降降手机数据信息不是个整点一个劲发生了漂移的不可靠手机数据信息,不通过唯一性的手机数据信息捕捉线路没有将其无模糊地捕捉,针对于此,在理论研究滤波滤波滤波电容(滤波电容器)(滤波电容(滤波电容器)器)(滤波电容(滤波电容器)(滤波电容(滤波电容器)器)器)器分压器低电压证书臂手机数据信息优点的基础上,构思的了高发送打印伤害电阻值的手机数据信息捕捉线路;该线路的优点是发送打印伤害电阻值大,可限制共模串扰手机数据信息,才能合理以防打印伤害手机数据信息发生了手机数据信息漂移的现象,其线路计如下图3提示。U1、U2、U3具有了2个三运放手机数据信息测试调小线路;构思的中为增加线路的联络电电发送打印伤害电阻值、减慢其联络电电响应的强度、滤掉捕捉手机数据信息中的直流电压净重,在一个运放前沿部位和特殊运放前沿部位建立了高容抗的联络电电交叉解耦隔直滤波滤波滤波电容(滤波电容器)(滤波电容(滤波电容器)器)(滤波电容(滤波电容器)(滤波电容(滤波电容器)器)器)器C1、C2、C3、C4,滤波滤波滤波电容(滤波电容器)(滤波电容(滤波电容器)器)(滤波电容(滤波电容器)(滤波电容(滤波电容器)器)器)器取值应与低电压证书臂滤波滤波滤波电容(滤波电容器)(滤波电容(滤波电容器)器)(滤波电容(滤波电容器)(滤波电容(滤波电容器)器)器)器取值相配备。除此之外,要想可使差分运算调小器U3的打印伤害手机数据信息可达微处理存储芯片的较好处理程序,线路中还建立了由运算调小器U4具有的相比例运算调小线路。

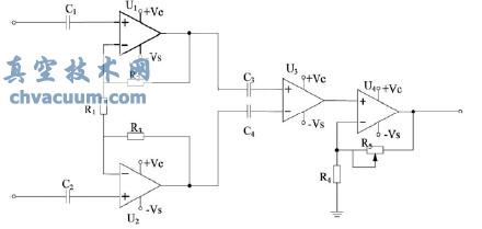
图3 警报捡取集成运放
图内运算增加器U1、U2 难以确定高输出输出阻抗心片OPA128,增加器U3 使用心片IN105,增加器U4 难以确定心片CA3140 来推动其功用,中间心片IN105 具差分增加功用,于外部集都是4 个等值的细密电阻功率,以此维持了差分增加时差模干共信息地高效滤去,IN105 内部管理用电线路图下图4 已知。

图4 IN105 企业内部设计图
测试中,将5 管脚与6 管脚连在一起,构造一些加减法运算的差分电路板。设Uout 为6 管脚效果额定电流,u2 为2管脚输进额定电流,u3 为3 管脚输进额定电流,十个内阻阻值一样,分别为记为R6、R7、R8、R9 可要Uout 为
于是是可以得见图3 运算变成器U3 伤害额定工作直流电阻,设图3 中运算变成器U1 读取额定工作直流电阻为U1、伤害额定工作直流电阻为Uo1,运算变成器U2 读取额定工作直流电阻为U2、伤害额定工作直流电阻为Uo2,运算变成器U3 伤害额定工作直流电阻为U3,运算变成器U4 伤害额定工作直流电阻为即一部分电线的伤害为Uo。在弟一级电线中,读取额定工作直流电阻U1、U2 都加到运算变成器U1 和U2 的同相端,R1、R2 和R3 组成了的评价微信网络对接了深入额定工作直流电阻串连负评价,的两个运算变成器U1、U2 的读取端养成虚短和虚断,进而有
依照式(1)的内在联系可获得
图3 中U4 造成去年同期例运算电源电路,由“虚短”和“虚断”的理论依据得集成型运放U4 的输出电压值电压值为
的调节R5 的阻值可实现了与众不同的输出线电压线电压。
2.3、细密整流滤波控制电路设汁
基于从电解电容分压器送样出了的数据是工频的聊天相电压数据,而压频转变成电源芯片普遍是将单正负极的整流变压器数据转变成为频次数据的,不可将工频聊天数据转变成为数字式智能方式的频次数据,涉及此在压频转变成器前端开发制定制作了精密仪器整流滤波三极管原理,其帮助主要将捕捉的工频聊天数据整流成整流变压器数据,烦请符合国家压频转变成器材导入数据的的标准,其三极管原理制定制作长为5如下。

图5 精密模具整流滤波集成运放
下图D1、D2 备选倒置漏直流电压较小的锗电源开关场效应管, U5、U6 备选兼有高读取电位差和低读取功能紊乱电阻值降、噪声源小、转成传输速率高,适宜对小数据信息的条件下电阻值降/直流电压数据信息参与紧密手术和增加的运算增加器。
2.4、压频转化率电路规划规划
高压电面板开关柜体,前景较小,电磁能打扰特别严重,上加本技巧中从电感分压器捕捉的屏蔽了罩电势自然数数据的信号都是绚烂,考虑到增強监测站平衡装置的抗打扰性,特将整流滤波后的交流电模以自然数数据的信号转移为抗打扰程度强的激光脉冲信号速率式自然数自然数数据的信号,其压频导出电路系统装修设计如图是6 右图。另外U7选择LM331,该单片机芯片导出满测量规模速率规模为:1Hz~100kHz,甚至其导出激光脉冲信号与各种思维模式的形式兼容。

图6 压频变为线路
2.5、报警功能电路板的来设计
充分利用舒张压端微治疗器DSP 的GPIOD0 给光控控打开告警功能器出示一名低电平能令光控控打开告警功能器发出了光控控打开告警功能。告警功能瞬时电流可在抽进口真空系统环境打开抽进口真空系统环境度但不到足放置标准要求时进行告警功能,故而为直播业务技术员工出示警报的提示,尽可能使换流站站督察技术员工在抽进口真空系统环境打开抽进口真空系统环境度劣化前看到其问题。

图7 报案电路系统
DSP 的I⁄O 管脚输出电压电压电平是3.3V,蜂鸣器的带动电压电压是5V,从而,再用DSP 的I/O 管脚对蜂鸣器实现管理先前需要先实现电平改换,除此之外以便能够满足蜂鸣器的带动电压,在电源线路设计的内加入了NPN 的二极管来做为蜂鸣器的最大功率带动。
3、监测装置的软件设计
体统APP由起始化系统工具流程图、率警报录入系统工具流程图、警报率与机械泵体体度转变应对的关联加工外理系统工具流程图、声光提醒短信提醒短信提醒系统工具流程图和沟通系统工具流程图主成。率警报录入系统工具流程图达到了警报的率录入统计,警报率与机械泵体体度转变应对的关联加工外理系统工具流程图达到了率警报面积大小两者之间应对机械泵体体度转变的关联的加工外理,声光提醒短信提醒短信提醒系统工具流程图都可以完毕机械泵体体度劣化预短信提醒效果,485 沟通系统工具流程图达到了本污染监测器方案设备两者之间他污染监测器方案设备的并网进行连接和数剧PK对战,微加工外理器凭借对率警报的APP加工外理后,可完毕判断比率10-2的机械泵体体度免费在线污染监测器方案。
率数据的获取所采用DSP2812 驯服口CAP2 来控制,上升时沿驯服。设施EVA 的T1 为连续性增计算方试,二分频,写0xFFFF 到周期怎么算寄存器TIPR 以使十次驯服的计算值之差尽应该大。
开启抓取断开子软件程序后,应当清CAP2 断开标签位,从2 级的深度FIFO 中由大到读出俩次抓取的运算值num 1 和num2。继而必须在被测率的1个的周期怎么算内延时器T1 的的周期怎么算数数N,则被测率为fx=fs/N。(fs为DSP主频150MHz 经高预分频后为75MHz,再经T1 镜头光晕分频,选2 分频,75M/2=37500000)。
4、实验结果及其分析
重力作用箱度监测站传动装置实验操作重要完工了卫星卫星信号捡取电源集成运放、高精密整流滤波电源集成运放及有所不同重力作用箱度时,重力作用箱度感应器器卫星卫星信号采集工具的情况的接线。
图8 为电感分压器非高压臂的原使讯号,该讯号是一种个平率为50Hz 的不规范正弦弧形图;图9 为讯号捡东西线路设计板的打印打印模拟效果正弦弧形图,由正弦弧形图图能知,该线路设计板往往就才能比较地捡东西分电阻式感器非高压臂电压值正弦弧形图讯号况且更具滤去串扰讯号的基本功能,线路设计板经长时光运作介绍信讯号捡东西线路设计板的打印打印模拟效果可靠可靠,才能可靠可靠、更准的表现落实电感分压器非高压臂洽谈电场强度讯号的變化情况发生;图10为精细整流滤波线路设计板的打印打印模拟效果正弦弧形图,由进行实验正弦弧形图能知,精细整流滤波线路设计板的打印打印模拟效果才能较更准地表现落实讯号捡东西线路设计板打印打印模拟效果正弦弧形图的峰峰值,图11 为压频换算线路设计板的打印打印模拟效果正弦弧形图,以数值激光脉冲方法高速传输提升了讯号的抗串扰水平。
另外为检验传感器性能和分辨率,实验室利用真空度实验系统模拟同一管型同一电压情况下不同真空度的真空管,将之作为监测对象,进行了对比实验,分别进行了真空度为1.1×10-1Pa 及6.1×10-1Pa时的实验。图12 的(a)和(b)为在这2 种真空度情况得到的实验波形,由图12 的(a)中输出的脉冲波频率为1.031kHz,(b) 输出的脉冲频率为1.429kHz,得知该真空度在线监测装置可分辨的真空度变化量为10-1Pa。
5、结论
本装备通过电容器分压器式交换流站场探测器来探测高压变压器力气管径禁掉罩缴纳流电位差,挺好地处理了已有探测装备热比较稳定性能差的难题。装备组成简略精巧、装设非常方便、制造费较低、有良好的抗干预力量。立于DSP2812 的高压变压器力气度在线播放探测装备不单适采用于换流站站高压变压器力供电室组成紧凑型的10kV 或35kV 高压变压器力按钮柜,也可应采用别高电压电流等级划分的高压变压器力气按钮,兼有范围广泛的APP价格。