基于单片机和CPLD的无线膜厚监测系统
设计了一种基于单片机和复杂可编程逻辑器件(CPLD)的无线膜厚监测系统。阐述了其功能、结构、硬件、软件等原理及其实现。系统采用PIC18F2550单片机和Altera EPM7064SCPLD 实现多周期同步法测量频率,采用nRF24L01无线数据传输模块实现远距离膜厚监测功能。该系统克服了传统有线连接的局限性,并具有低成本,小型化等优点。 在工业化的加工和科学有效研发中,聚酯聚酰亚胺膜提纯不谏为一条基础条件还有就是根本的的时候。在聚酯聚酰亚胺膜提纯的时候中,对聚酯聚酰亚胺膜尺寸的检测给人感觉更为己任要。监控视频聚酯聚酰亚胺膜尺寸的方式方法关键有电阻值法,称量法,石英石砂单结晶体振动法和光电材料极值法以及其改进措施,双色彩彩法,主波长扫描仪扫描法,网上模似微分法,暖色定值相对比较法,双色彩彩四激光切割机的光路控住法,电离感测器法等。这中仅以石英石砂单结晶体振动法软件极其比较广泛。
石英晶体微天平(quartz crystal microbalance, QCM)作为微量称量工具,可以测出10-6-10-9克的质量。它具有体积小、灵敏度高、快速、简便等特点,已广泛用于化学、材料、生物、医学、环境监测等领域。石英晶体微天平是基于石英晶体的压电效应对其电极表面的附着质量进行测量的仪器。它的基本工作原理为:石英晶振表面所负着质量的改变引起石英晶振振动频率变化。振动频率随负着质量的改变满足Sauerbrey方程:

目前,石英晶振膜厚监测仪已经广泛用于真空热蒸发薄膜制备过程中的膜厚监测。传统的石英晶体膜厚控制仪,晶振探头置于真空腔体中,其频率信号通过数据线传于膜厚控制仪或电脑主机。但是,在某些特定的工业生产场所或科研场所,由于真空腔体与膜厚控制仪距离太远等原因,不便用导线将探头与膜厚控制仪连接起来。因此,本文设计一种无线膜厚监测系统。晶振探头的频率信号通过射频传输到膜厚控制仪或主机。
1. 系统组成
膜厚评估仪的体系化是石英砂晶振规律计。本程序使用多时期段云数据搜集法做出规律侧量。多时期段云数据搜集法测频新技术的事实上水闸时期是被测无线数据无线信号的整时期段倍, 而不算放置的值, 即水闸时期与被测无线数据无线信号云数据搜集, 那么减少了对被测无线数据无线信号计算时引起的出±1 个字自动精确测量误差, 侧量精确大大大大改善,还可达了在另一侧量频段的等精确侧量。
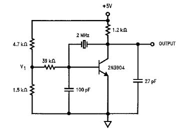
2. 硬件设计
2.1 振荡电路
谐振用电线路的选择对熔融石英石晶振声音频带宽度的比较可靠的度至关主要。通常的熔融石英石结晶谐振用电线路有皮尔斯谐振用电线路,考毕兹谐振用电线路,克垃普谐振用电线路[3]。基础性系统软件软件复杂性度和声音频带宽度比较可靠的度综合考虑,本系统软件软件使用皮尔斯谐振用电线路。该用电线路能在2-20MHz 机械能比较可靠的事情。








等阴离子体提升检查是否气相色谱基性岩(PECVD)是借力微波微波射频或微波射频等使有聚酯薄膜
电容(电容器)交叉耦合具体方法是由接地极的蓄电池充电室(由组合数值比较小的装修材料如石英晶体制作成)
从ZnO膜的硫化锌设计、光学元件的特点、电学的特点、光电公司性、气敏性
ECR铝离子源徽波能量转换用徽波输人窗(由淘瓷或熔融石英加工而成) 经波导或天
现象磁控溅射技木是沉淀积累化学物质膜的关键行为最为。沉淀积累多维因素