真空容器充气时间计算实例
根据文献徐树深.真空容器充气时间计算[J].真空,2000(2):10-12.和夏正勋.向真空室内充气时间的计算[J].真空,1982(04):31-33.的充气时间计算公式为:
对于20℃空气气源的简易计算公式为:
这里以伊马爱德华生产的25m2的Lyofast冻干机为例进行计算比较。这里: V=11.93 m3,
。计算结果见图1、图2。为方便表达,将文献[1],[2]的计算方法简称为未考虑壅塞流, 本文推导的计算方法简称为考虑壅塞流。
图1 充气过程压力-时间曲线
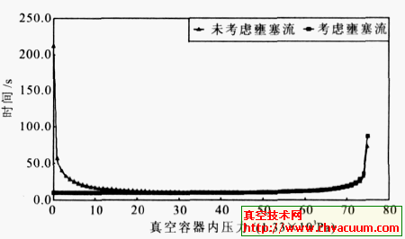
图2 充气过程压力上升1cmHg所需时间
由图2可知,两种计算方法在充气后半部分(真空容器压力大于临界压力)充气速率几乎相等。而刚开始充气时相差较大。当未考虑壅塞流时,刚开始充气时压力每上升1333.22Pa充气时间超过200s,随后逐步缩短到10s左右,这显然不符合常理。从而证明了本文计算公式的合理性。
由图1可知,未考虑壅塞流,总充气时间为1400s左右,而考虑壅塞流时,总充气时间为1000s左右。实际测试的充气时间为1200s左右。这可能是由下列原因引起的:
(1) 假定充气过程为绝热充气。实际充气过程是一个多变过程,这样绝热指数k就变成了多变指数。
(2) 假定气源温度与容器温度相等。当容器温度低于气源温度时,充气时间稍长;当容器温度高于气源温度时,充气时间稍短。


















本诗介绍英文了五种典型案例的超多真空环境程序图:用扩撒泵和钛泵并接为主要泵
机械泵馈口身为EAST多功能铁离子旋回加水(ICRF)wifi天线最关键的机械部件的一个,
流导是说 在院校风压差下,最长的河流内部管道器件气留量的面积大小。流导概率也称