对非接触式干式气体端面密封(DGS)的研究进展进行了总结, 着重介绍了密封性能的理论分析与数值计算方法, 端面微槽的优化设计方法,试验研究方法以及考虑端面微尺度效应和滑移流效应基础研究等方面的研究现状。指出在高参数条件下DGS端面的热流固耦合与解耦分析, 低速或低压条件下密封的启动与停车性能的准确预测及结构优化是DGS技术未来研究的重点,也是进一步拓广DGS应用领域、提高其工作可靠性的关键。
干式气体动力润滑机械密封(DGS)是在止推轴承技术的基础上, 通过在密封面上开槽并以气体作为润滑剂的机械密封。开槽使密封面旋转时产生了流体动力效应, 实现了密封面的非接触, 同时端面间剪切流对抗压差流达到零泄漏。DGS的研究与应用已有30余年, 目前已在石油、石化、化工和电力等部门得到越来越多的应用。随着DGS应用于高参数场合或低速、低压场合, 新的问题不断出现, 因此对DGS提出了更高要求, 了解有关DGS的基础知识、研究现状和发展趋势, 提出解决或部分解决上述类似问题的方法, 完善DGS的设计理论与设计方法和实验研究方法, 具有重要的理论价值和实际意义。
1、DGS的结构和密封机制
除封口一端都有一些不一型槽外, DGS和普通型机诫封口一样由静环和动环组合。DGS的型槽形势多样化, 典型的有圆弧槽、双螺旋槽、直桥架、T型槽、枞树型槽等, 槽深一样为3~30μm。

图1 S-DGS的铣面型式提示图
图1如图是为常见的螺旋叶片槽DGS(S-DGS) 激光切割端面。当封好带垫性能操作时, 其他乙炔气被误吸槽中, 其流动量受封好带垫性能坝合理, 于似乎其他乙炔气被收缩进而引发压强增大, 该压强目的使封好带垫性能面分离出来, 并转变成必须层厚的气膜。当其他乙炔气压强和气弹簧力与关掉力平衡性时, 转变成平衡的气膜并可以防止封好带垫性能面能够 交往。气膜层厚一般的为些微米换算。
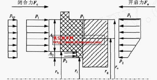
图2所示为S-DGS的作用力图。作用于浮动密封环上的闭合力为Fc , 其值等于系统压力和弹簧力之和, 设开启力为Fo, 其值等于气膜承载能力的大小。当Fc = Fo 时, 密封处于稳定运转状态, 为理想的设计工况; 当DGS受到外来干扰气膜厚度减小时, Fc保持不变, 而型槽产生的端面动力会明显增大使Fc< Fo ,导致膜厚增大, 恢复到原值; 相反, 当外来干扰使膜厚增大时, 端面动力下降使Fc > Fo,密封面合拢恢复到原膜厚值。这样, 动、静环间始终保持一层稳定的气膜, 在正常运转条件下, 两密封面始终保持非接触, 密封面无磨损, 从而提高密封寿命, 使密封可以长期稳定运转。

图2 DGS的用途试图
2、DGS的研究现状
DGS的按理来说基础策略大部分来取决于有害气体润化按理来说和有害气体止推联轴器按理来说。对DGS的基础说法研发大部分采用了按理来说解密来估算、参考值养成系统和實驗基础说法研发等3种的方式, 近几年参考值养成系统来估算是里常用的的方式。以Navier-Stokes方程组组为端口间气膜气压调节方程组组, 用来估算气膜气压、开起力、气膜承载能力和流出量等胶封运作, 对DGS确定优化系统装修设计的并健全完善装修设计的按理来说。
2.1、DGS性能的解析法研究
DGS的详解调查的根本是Whipple做出的窄槽概念(Narrow groove theory, NGT) , 该概念来旅游的刷快了Malanoski等和Muijderman的加强, 在当中Muijder-man初次适用复变数学函数保角转换概念将旋转槽整治转变成平行面直金属线槽整治, 重在点综合综合考虑槽顶部的印象, 出了较完整篇的旋转槽轴承型号概念。Cheng等相结合NGT讲解了S-DGS和瑞利石阶DGS中, 封口槽和封口坝的相对比较地段对封口耐磨性的印象, 二次革命论在低挡现状下,封口坝在低压证书侧有弊于减低氯气泄露, 在高压变压器侧有弊于增加气膜刚度比。Gardner最开始将旋转槽相似性详解概念适用于旋转槽横截自动化装备封口的耐磨性。Sneck等做出半个种针对窄封口面沿槽线成立雷诺式子的详解最简单的工艺, 但在该最简单的工艺的不认真负责和不简单方便, 尚未刷快范围广适用。Shapiro等在Muijderman最简单的工艺的的根本上, 综合综合考虑多普勒效应力的印象, 调查了快速路液氧泵用旋转槽自动化装备封口的工做耐磨性。
2.2、DGS密封性能的数值模拟法研究
犹豫气膜压设定式子很困难随时解求, 但是介绍法需作多假说细化, 这给精准阐述DGS的的耐热性会引致肯定的核算误差。时间推移核算机枝术的不息趋势和说, 到目前为止有限制的差分法(FDA)和有限制的元法(FEA)等各值剖析工艺以及在DGS的填料密封的耐热性剖析科研中得到了大量应该用。
James等适用FDA研发了有毒废气润滑液双雷韵槽水单面阻力滚动滚针滚动滚动轴承的性, 并选用座标调节法克服了双雷韵槽的身材曲线交界适用FDA所会遇到的难点。Zuk等用FDA求根了模似双雷韵槽机械厂密封胶的条直线垂直槽3d3d模型的流场和学习压力值场。Murata等利用率势流理论上知识, 制定了双雷韵滚动滚针滚动滚动轴承的二维3d3d模型, 用目标值深入讲解措施来算起了快速场和学习压力值场。Smalley依托于NGT理论上知识, 用FDA求根雷诺方程式, 来算起了水单面、球体和圆锥体面等型槽有毒废气滚动滚针滚动滚动轴承的承担学习程度、输出材料耗费、氯气泄露量和硬度指数。Lip schitz等用FDA来算起了条直线管双项平移有毒废气阻力滚动滚针滚动滚动轴承的性。Kowalski等选用FDA深入讲解了S-DGS的改变方向学习程度, 并根据座标调节, 克服了双雷韵槽的结合型式与柱座标轴不一样诱发的难点。
Reddi等应该用基本概念伽辽金权重求算加工余量法的累加变分计数公式的研究分享了混合气态的动力轴套型号在低转速的情况下的准稳态使用性能, 首先对可缩短粘性流体润滑的相关故障 按照FEA实现了的研究分享。Ettles等用九连接点分次等参元FEA近似求算雷诺方程组, 获取了高的求算精度等级和更快的求算时速, 为DGS的各值分享求算提供了了较佳的计算方式。Satomi等按照FEA分享了低转速混合气态径向止推轴套型号的机构叁数优化系统相关故障 。
Basu对应用FDA和FEA研发了径向槽DGS的经济压力遍布。Bonneau等用由于伽辽金权重空间法的同一时间局限制元工式对S-DGS进行了二维准稳态浅析,利用传入迎风文件后缀, 解决了髙速收费站要求下统计毕竟的抖动状况。Tournerie 等将Bonneau等等的类别用以好评型槽的几何图形能指标对低转速、不对的中S-DGS的重置力、漏洞量和回应扭矩的反应。Hernandez等用同一时间伽辽金局限制元工式, 并融入对切槽面的特俗离散化编译程序流程图, 确保了低转速S-DGS的重置力、漏洞量和静力弹性数值。Zirkelback等使用增长的伽辽金局限制元工式, 统计了中、低转速S-DGS的平率涉及到承载力弹性数值。Ruan用FEA浅析了在低转速、压差大要求下, 滑移流对S-DGS封好能的反应。Faria浅析了髙速收费站S-DGS的能, 统计编译程序流程图以伽辽金权重空间法为基本知识, 同一时间传入了高阶形指数函数而不用传入特俗会员积分类别和人工成本分析, 以至于都具有精密度提高和速率快的特别。