分流法UHV/XHV校准系统结构与原理
分流法是在动态流量法基本原理的基础上提出的。由于气体微流量计流量测量范围和校准室极限真空度所限,动态流量法的校准下限一般在10-6Pa~10-7Pa之间。为了将真空规的校准下限延伸到XHV范围,提出了流量分流法基本思想,即将已知流量气体注入到分流室,再通过分流室上两个流导相差很大的小孔将气体流量分流到XHV校准室和UHV校准室,这样很少部分流量流入XHV校准室,绝大部分流量流入UHV 校准室,从而延伸了校准下限,分流法是对动态流量法的发展。
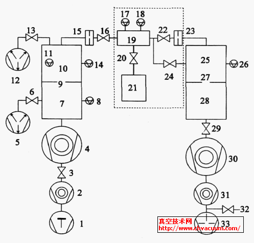
1999 年,德国PTB的K. Jousten等建立了新一代UHV/XHV校准系统,以取代早期的分子束法UHV/XHV校准系统。该系统的原理图如图6所示。恒压式流量计产生的已知气体流量qpV注入到分流室V0中,分流室的体积为3.6 ×10-3m3 ,内表面积为0.15m2 。在分子流条件下,小孔C01和C02对N2 的流导分别为(5.242 ±0.007) ×10-3m3·s-1和(0.04942±0.00006) ×10-3m3·s-1。C01和C02分别作为UHV室V1 (22.7 ×10-3m3 ,0.52m2) 和XHV室V2 (6.8 ×10-3m3 ,0.29m2) 的入口。当两个低温泵工作时,大约有99%的气体流入UHV室V1 ,1 %的气体流入XHV室V2 。因为抽气孔C1和C2对N2的分子流导大小基本相同( C1= (103.95 ±0.05) ×10- 3 m3·s - 1 ,C2 = (101.21 ±0.04) ×10-3m3·s-1) ,因此在V2中产生的气体压力约是V1中产生压力的1/ 100。

如果只有其中一个低温泵工作,当达到平衡时,从流量计流出的全部流量将会流入相应的真空室。低温泵的工作温度约为217K,在T0 (296.15K) 温度下对N2 的抽速约为10m3 ·s - 1 。为了获得10 -11 Pa/m3·s - 11m·- 2·的出气率,真空室由AISI 316L 不锈钢制作而成,并在950 ℃下真空高温炉烘烤除气2h。
当只能是超高温泵(UHV - ) 办公时,正空室V1 中的水压能够下式算出,


XHV 校准室采用真空熔炼的特殊SUS316L 不锈钢制作,内表面先进行电抛光处理,然后进行严格的超高真空清洗工艺处理,安装前再将XHV 校准室放入真空高温炉烘烤除气,以便降低材料内H2 的含量,使材料的出气率小于5 ×10 - 10 Pa m3·s - 1 m- 2 。为了既保证校准室有足够的抽速,又保证校准室中压力的均匀性和避免束流效应,校准室与抽气室之间设计了限流小孔,小孔直径为0.033m ,对氮气的分子流导约为0.1m3·s - 1 。XHV 抽气机组由磁悬浮涡轮分子泵、分子泵、干泵、以及非蒸散型吸气剂泵组成。涡轮分子泵对各种气体的抽速无明显的选择性,为了提高对H2 、He 等低压缩比气体的抽气能力,采用了双涡轮分子泵串联结构。非蒸散型吸气剂泵的特点是对H2 的抽速大,对惰性气体无抽速,因而利用非蒸散型吸气剂泵提高了系统的真空度,另一方面使用惰性气体校准时,不改变校准室的有效抽速。
UHV 校准室选用的材料、物理结构、限流孔、以及材料表面处理工艺等都与XHV 校准室相同。UHV 抽气系统采用双涡轮分子泵串联抽气机组,前级泵为机械泵。另外,在分子泵与抽气室之间安装了超高真空插板阀。
流量分流系统。流量分流系统主要由流量计和分流室组成,流量计采用固定流导法气体微流量计。分流室采用SUS316L 不锈钢制作,内表面处理工艺与XHV 校准室相同。分流室通过小孔15 和23 分别与XHV 和UHV 系统相连,小孔15 是激光单孔,分子流流导为10 - 6 m3·s - 1量级,小孔23 是80 个均匀排列的激光多孔,分子流流导为10- 4 m3 ·s - 1 量级。
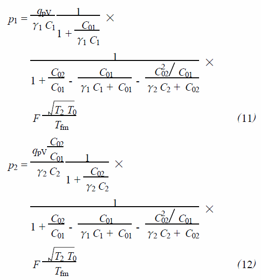
用截流法标定时,XHV 标定室的负荷P 用计数公式(13) 换算,
在该校准系统上,采用分流法校准压力范围为10 - 10 Pa ~10 - 6 Pa , 合成标准不确定度为1.5 %~3.5 %。该校准系统的主要特点有: (1) 采用无油双涡轮分子泵串联抽气机组与非蒸散型吸气剂泵组合方案获得了10 - 10 Pa 极高真空,涡轮分子泵和非蒸散型吸气剂泵都是室温抽气手段,有利于热力学平衡态的建立和避免热辐射效应,使标准压力能够精确计算; (2) 利用非蒸散型吸气剂泵对惰性气体无抽速的特点,以惰性气体校准时,非蒸散型吸气剂泵既维持了极高真空本底,又不改变校准室的有效抽速,利用这一特点,并采用扣除本底的方法,有效延伸了校准下限。
高清亚洲日韩在线欧美相关的文章推荐:














Pirani皮拉尼负压计的复合圆筒形内配有一铂金细线,两端接触电极片
包覆涡流计由温度差异电偶涡流计和热阴离子电离涡流计成分,电离涡流规
利用检测法汽体中被电离的正离子流的面积, 判别汽体的压
强。热金属电极
降低式正空计是对U型管正空计的很大调整,它是依照好有害气体的波