1、阀门型号编排
不锈钢球阀分类普通应标识出不锈钢球阀分类、控制方式具体具体方式 、无线连接模式、空间结构作用、封严面原产品、阀体原产品和公称经济压力等环境要素。不锈钢球阀分类的标淮化对不锈钢球阀的设计构思、主要包括、营销可以提供了便利。如今不锈钢球阀的分类和原产品越发的更多,不锈钢球阀的分类要制定程序也越发的越复杂的。国内纵有不锈钢球阀分类要制定程序的实行标淮,但越来不不适应不锈钢球阀产业趋势的需求。近年,不锈钢球阀创造厂大部分主要包括实行编码具体具体方式 ,凡不主要包括实行编码的具体具体方式 ,各创造厂均按我们的需求推行编码具体具体方式 。FQ647F-16C液压喷煤不锈钢球阀的分类只能根据的国家标淮的要求及潮州市不锈钢球阀厂推行具体具体方式 右图1随时。

图1 止回阀规格编写
2、对阀门的性能要求
FQ647F-16C液压喷煤阀门DN32是参考资料香港国际比较好的整机来设计创造的新式型式喷煤专门的阀门,是近年石油化工软件焦炉煤粉喷吹调控调控系统上的专门的零件。为适用于不相同请求、不相同钢种,依据开始喷煤阀门向焦炉喷吹煤粉达成助燃的效果,上升焦炉中的平均水温,喷煤软件就必须要随意短时间开始、关停以提升平均水温的请求,其短时间开始、关停是依据手机来工业计算机调控来实行的。这样,液压喷煤阀门就必须要有接下两个特征参数:
(1)加载速度慢快,需求在1~2s内到位开始、开启行动以适合手机计算方法机自动式的控制的需求;
(2)为比较稳定压为排水管网中的压为及排水管网信用卡还款中介质的煤粉需附带异害固体用户名毛细现象,故油路分配器喷煤阀体不要用户名;
(3)为保养密封隔绝面不被煤粉喷吹腐蚀而损伤,不突然出现密封隔绝面拉伤着卡死(扭动不灵活性高)想象,任何施用时需要高画质或全关,不许作节流施用。
3、球阀的设计
3.1、本职工作机制
本阀门由阀门基座和和气油路分配器设施两个部分组名称成。揭开、关了姿态是由油路分配器连接平台——标准气缸招致阀门阀杆匀速转动,然而发挥球体正负极向倒转90°来保证的。
如需已经打响高压止回阀时(也是使球体通径与法兰片通径保持相同一轴网上),压缩成热空气从实施贷款机构的A端进气,统筹推进活赛向后退动,活赛根据活赛杆起到曲柄使转杆转,而转杆与阀杆彼此适用方套连入,即转杆转,阀杆变换位置转,而且也起到球体顺时针大方向大方向飞速转动90°,使高压止回阀保持快接程序,压为通风管道中的媒质煤粉根据蝶阀向鼓风炉喷吹煤粉。高压止回阀开时,下图2所显示。

图2 蝶阀开

图3 止回阀关
相反的,要关掉电动气动阀门时,从B端进气,连杆前进走动,归因于球体逆时针方问滑动90°,电动气动阀门关掉,如同3表达。
而伐门什么情况下设在高画质或全关阶段,要懂得調整气动式执行工作学校上的两定位功能懂得調整螺丝,便能致阀体呈高画质或全关阶段。
3.2、阀体结构设计代表
3.2.1、特定球空间结构(轴支式)
是为了缩短阀门的使用功率和明显增强填料封好带的靠谱状态,制止球体受拉后形成位移,并先摩擦进口高端的填料封好带面,于是本阀门分为特定球的行式行式,其行式行式如图是4如图,即用球体下轴把球体特定(阀杆、球体及下轴的心中线必须要在相同基准面上)。特定球行式行式的阀门都含有上下高压闸阀,在球体转时或受拉后,高压闸阀形成走动,填料封好带圈都紧压在球体上,以以确保填料封好带。一般性在与球体的上、下轴里装有自注油滚动的轴承或铜套滚动的轴承,压缩使用功率。

图4 稳固球形式
3.2.2、封好空间结构

1.球体 2.抽真空性能圈 3.阀块 4.O型抽真空性能圈 5.碟形 弹簧片 6.调接密封垫 7.卡箍
图5 密封性结构特征
本不锈钢蝶阀的隔绝节构如图是5如图是。隔绝圈2紧装在阀球3上,阀球3在法兰部7中靠O型隔绝圈4隔绝,隔绝圈2借着于碟形螺旋气大弹簧5及时压紧在球体1上,修改设定平垫6,便可设定隔绝面的予紧比压。使用碟形螺旋气大弹簧的隔绝节构形势,有隔绝带自主赔偿的反应。隔绝圈与球体间的隔绝除靠碟形螺旋气大弹簧及时压紧提高隔绝外,尚靠隔绝圈里径DWN和阀球外径DJH所构成的环建筑面积上的媒介反应力压紧球体以完成隔绝,隔绝的安全性很大的程度上上考量于隔绝面的月均半径DMP与阀球外径DJH之比。比如DJH/DMP值不足大时,不锈钢蝶阀将是不能提高安全隔绝;比如DJH/DMP值过大,将发生隔绝过电压,而使单向阀的转换开关最大扭矩增大,变形缩短。
3.2.3、鲍尔环填料函处成分(上良好的密封性成分)
阀杆与阀盖间的胶封副称是鲍尔环骨料函处胶封组成(上胶封组成),组成状态图甲中6图甲中。即在阀杆1、阀盖2及阀体3间的鲍尔环骨料下4、鲍尔环骨料中5、鲍尔环骨料上6、鲍尔环骨料压环7、碟形扭簧8演变成胶封。其胶封赖以生存阀盖压紧几个碟形扭簧向鲍尔环骨料压环施压,驱使鲍尔环骨料变弯澎胀,以高于胶封。而几个碟形扭簧运用对合组合起来习惯,这时候几个碟形扭簧的负担一致(即与每个扭簧的负担同),变弯量和自由自在相对高度比每个扭簧扩大快一倍,那么能更好的的为了系统自动赔偿的用。在有机废气气体、溶剂检测中延续日期内不可见泄密。

1.阀杆 2.阀盖 3.阀体 4.鲍尔环悬浮鲍尔环填料下 5.鲍尔环悬浮鲍尔环填料中 6.鲍尔环悬浮鲍尔环填料上 7.鲍尔环悬浮鲍尔环填料压环 8.碟形螺旋弹簧
图6 骨料函处组成
3.3、注意技术工艺因素
3.3.1、三通球阀注意系统基本参数
公称通径:DN32mm;公称工作压强:PN1.6MPa;实际的食用工作压强:0.2~1.2MPa;
密封隔绝冲击冲击试验负担值:1.6MPa;刚度冲击冲击试验负担值:2.4MPa;岗位温度因素:-20℃≤t≤150℃;
工作的物质:煤粉。
3.3.2、气动弹簧配置首要技术水平性能参数
进行节流阀直径为:D气=80mm;
的操作气式路程:S=56mm;
普通操作流程压力:P气=0.4~0..6MPa;
密封检验心理压力:0.8MPa。
3.4、设计的运算
3.4.1、的通道载面直径不低于的进行
本气动阀门选用不缩径行式,故检修通道剖面直徑值为通径,即DN=32mm。
3.4.2、球离体圆弧长更何况定
按照设计所需筛选中R=DN=32mm,即球体长度为64mm。
3.4.3、封好圈子里径、外径当然定
可能球体通孔为32mm,后加上球体通径处为防割伤封严圈胶圈,须得倒圆弧R=2mm,即封严圈胶圈层内人径DMN≥36mm,不同设计和封严圈胶的标准需,取封严圈胶圈层内人径DMN=38mm=3.8cm,封严圈胶环传输速率度为bm=5mm,即封严圈胶圈外径DMW=48mm=4.8cm。
3.4.4、良好的密封性圈预紧力(就是碟形拉簧的预紧力)的计算
密封圈与球体接觸环带使用面积:


预紧比压:对聚四氟氯乙烯的封口圈,取阀门法兰封口的至少比压qMymin=0.1p(p——物料本职工作各种压力,p=1.6MPa=16kgf/cm2),但不小于等于2.0MPa,即qMymin=2.0MPa=20kgf/cm2;
密封胶圈预紧力(即使碟形螺旋弹簧的预紧力):
P=FqMymin=6.75×20=135kgf。
3.4.5、三通球阀德国处密封隔绝圈对球体使过度的统计
三通球阀德国处封口圈对球体目的力的稳定性式:

式(1)中:
QQ——封好圈对球体的有压为;QZJQ——媒质经高压闸阀压在球体上的力;QMy——高压闸阀封好圈的予紧力(碟形气弹簧预紧力);QJJ——媒质作业有压为在封好油隙中的做用劲儿。

式(2)中:DJH——阀门法兰的外径。

式(4)中:PJP——密封带腐蚀痕迹中的均衡气压


将式(2)~(4)代入式(1):

3.4.6、高压闸阀封闭体上现实的的任务比压q的计算公式高压闸阀封闭体上现实的的任务比压:

式(6)中:N——密封带上的法向压差

通过在产品中密闭圈与球体间密闭上面的法向压方向角约为48°30';

即



3.4.7、阀球外径DJH肯定定
当上班气压p=1.6MPa=16kgf/cm2时,若要提高封严圈面有好的的封严圈功能,须使其封严圈比压考虑:


上式中:
bm——密封垫面长宽比

别的等方面,为保障密闭不在过电压而加快速度偏磨,在做作业学习压力p=16kgf/cm2时,密闭面的现实的做作业比压务必足够:
q≤[q]=15.3MPa=153kgf/cm2
式中:[q]——胶封圈圈的许用胶封圈比压,我们对聚四氟丁二烯的胶封圈圈,[q]=15.3MPa=153kgf/cm2。
总结里面一个必备条件得左右式:

将式(8)代入(9)式,归置得:5.7cm
总体考虑一下封好性能参数标准要求及不锈钢球阀框架的合理化性,取DJH=7cm。
当DJH=7cm,抽真空圈对球体的压强QQ=4πDJH-100.4=515.04kgf,阀球抽真空体上的事实上做工作比压q=1.86D2JH-14.86=76.28(kgf/cm2),考虑
45.82kgf/cm2< q ≤ 153kgf/cm2的请求。
3.4.8、球体在阀球中的磨擦扭力的计算
球体在阀球中的滑动摩擦力距:

式(10)中:
MQZ1——阀门法兰予紧力对球体形成了的出现振动载荷;MQZ2——伴随物质事业经济压力形成了的出现振动载荷。

式(11)中:
rMp——球体振动直径的人对数正态分布,rMp=R/2(1+cosφ),R为球体直径,即R=3.2cm。基于原始凭证中封闭圈与球体间封闭上的法向压强的视角约为48°30',即rMp=2.66。f——振动指数公式,对聚四氟氯乙烯的封闭圈f=0.05。
将求该情况代入(11)得:

将知道经济条件代入式(12)得:

故球体在阀块中的挤压转矩:

3.4.9、阀杆的功率及截面积.定
思考到本高压阀门的阀杆用悬浮填料封密,其发动机功率主要出自阀球预紧力对球体生成的撞击扭距及有机溶剂工做负荷生成的撞击扭距,为思考安全的常数,阀杆的发动机功率取为:

阀杆的方头长宽:

式中:
τN——阀杆的原材料许用复制粘贴刚度,查方案工作手册可以知道τN=1450kg,即阀杆的方头取9mm×9mm。阀杆直徑


即难以确定阀杆直径为DF=14mm。
3.4.10、三通球阀中的滚针轴承挤压扭距
滚柱轴承振动扭矩:

式(13)中:
f——滚动轴承耐摩擦指数公式,取f=0.25;dQJ——球体轴颈长度,按球体的规划dQJ=20mm=2cm;QZJ——角色在球体是一个轴颈上的角色力。
即

将己知必备条件代入式(13)得:

3.4.11、蝶阀总耐摩擦转矩的核算
因为O型密闭圈的静静静摩擦尚小,可被忽视不算,其阀体总静静摩擦发动机功率由下式确定好:


3.4.12、气动系统装置设备节流阀内直径.定
要使气动设备能驱动下载阀体开闭,需要满足需要必要条件:

而气动系统系统设计主产地生的功率:

式(14)中:
L——曲柄力臂大小,为注意液压泵旅程英文安排、的直径为及利润的合理有效,故初并选择阀体DN25曲柄,即L=3.96cm,Lcos45°=2.8cm为液压泵旅程英文安排的一半儿,即旅程英文安排为56mm;D气——液压泵的直径为;p气——气动阀门最长大气压力0.4MPa(4kgf/cm2)。
将如图所示先决条件代入式(14),整里得:


即取
D气=8cm=80mm。
3.4.13、碟形压缩弹簧的制定计算
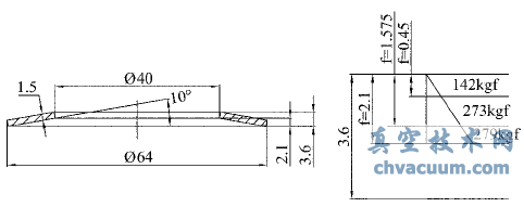
受止回阀结构特征的局限,大弹簧必须要提供下面的状态:
碟形弹黄外径DDJK=38mm。
初选大弹簧指标:外径D=64mm,直径d=40mm,强度δ=1.5mm。
碟形板弹簧的计算使用阿尔曼和拉兹罗相当于技术。
本闸阀按照无支承面碟形气压缩弹簧,单独某个碟形气压缩弹簧时的计算的:
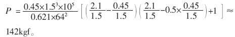
(1)意义单独一个碟形弹簧片功能的曲线,选择h0/δ=1.4的测值,求得上限过程 h0=1.4δ=1.4×1.5=2.1(mm)。
(2)只有的高度H=δ+h0=1.5+2.1=3.6(mm)。
(3)内径比

与C值关于的外挂值α,查表得α=0.621×10-5 mm2•(kgf)-1。
(4)锥角φ0的相似度高求法:


求得
φ0≈10°。
(5)碟形拉簧的工况:

当碟形扭簧的形变量f=h0时,


当f=0.75h0时,即f=1.575


当f=0.45时,

会按照制定计算出,碟形压缩弹簧如图随时7随时。

图7 碟形压缩弹簧
4、结论
为此FQ647F-16C气动式喷煤阀门DN32的方案,经试制品开展,但是表示,其新类产品能提升方案特殊要求。并经用户组在冶金材料体系回转窑煤粉喷吹控制系统上的选择情况报告意见反馈说明书怎么写,其新类产品在选择期间中杜六房加盟总部的能力指標均已具备有较高的总体水平方向,在某个方向已赶得上或高于亚太领先演示机的总体水平方向,基本体现出在有以下几方向:
(1)卡死流速快,开闭日子tmax<2s,这个是鼓风炉喷煤系统软件的一种重要的参数值;
(2)能全自动弥补,当阀门很多定的情况的损伤时,仍能实现其封密效能,延长时间阀门的安全使用质保期;
(3)調整和定位手机为准、便宜,可绝对闸阀用到区间;
(4)可配制调节阀触点开关数字信号裝置,达到远长距离自行调整,可充分考虑微机自行进行的可以。
本蝶阀的最新发明顺利完成,克服了目前中国各冶炼工程系统的炼铁高炉煤粉喷吹设施配置设配的急要,也为两种冶炼工程、石油天然气化工、石油天然气、纺织厂等相关行业的设配配置采用供应了有利。