便携式气体微流量计的设计
为了实现在工作现场对氦质谱检漏仪进行全量程漏率示值的校准,设计了一套便携式气体微流量计。该流量计由供气与抽气系统、定容室与压力测量系统、流量测量系统和烘烤系统等四部分组成,采用固定流导法及定容法两种模式提供和测量流量。在流量计的设计中,解决了小孔流导的设计和计算、定容室和抽气系统的小型化设计、应用选择性抽气技术延伸流量测量下限等关键技术,同时还采用了分体式结构设计,使流量计具有便于拆卸及携带,操作简单等优点。流量计预计达到的技术指标是,测量范围:(10-4~10-11)Pa·m3/s,标准不确定度小于10%。
随着科学技术的进步,真空检漏技术在航天、航空、电子、核工业等领域的应用越来越广泛[1] 。在真空检漏中,一般用氦质谱检漏仪对微小漏孔的漏率进行定量测量,而氦质谱检漏仪采用一支标准漏孔对漏率定标。标准漏孔的漏率一般在10-8 Pa·m3/s 量级,而氦质谱检漏仪的测量范围约为10-7 Pa·m3/s~10-12 Pa·m3/s,因此在全量程范围内采用示漏气体电离信号线性外推的方法进行测量。存在的问题是,由于没有对仪器本身进行全量程的校准,当氦质谱检漏仪本身的线性不好时,就会对检漏的准确性,尤其是小漏率的测量产生较大的影响,从而影响产品的检漏质量。另一方面,对体积和质量较大的氦质谱检漏仪,也不易送到实验室进行检定。为了满足氦质谱检漏仪现场全量程范围内漏率值的校准,需要设计一套便携式气体微流量计,采用标准流量与氦质谱检漏仪示值进行比对的方法,实现漏率示值的校准。
目前,国内外很多研究机构[2~8],如美国国家标准技术研究院(NIST),德国联邦物理技术研究院(PTB),意大利国家计量研究所(IMGC)和韩国标准科学研究院(KRISS),中国计量院(NIM)和国防科技工业真空一级计量站(LIP)等都建立气体微流量计标准,用于真空漏孔和真空计的校准。我们借鉴了大型流量计研究中取得的成功经验和技术,如固定流导法测量技术、NEG 泵选择性抽气技术等,设计了可用于现场校准,易于搬运、操作简单、流量范围宽的便携式气体微流量计。
1、便携式气体微流量计的设计
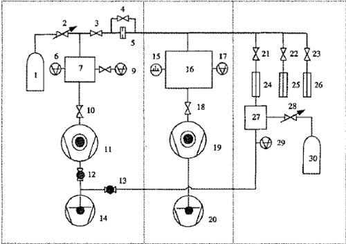
轻便式式的汽体微2g水用户计由供氧与抽汽体系、定容室与的压力预估体系、2g用户预估体系、烘烤体系等四部件組成,图1 为轻便式式的汽体微2g水用户计原理图图。
1.气瓶 2.标准容器 3.NEG泵 4.针阀 5,6,11,15,16,17,20,21,22.阀门 7.机械泵 8.分子泵 9.插板阀 10.定容室 12,14.电容薄膜规 13.冷规 18,19.小孔
图1 袖珍式式气物微手机超声波流量计运转的基本原理图3、小结
携便式式有毒气体微的水流量计的主要是制定思想体系有如下几个: ①所采用了双的小圆孔、双路精准流量工作输出规划,有不变流导法和定容法五种精确测量玩法; ②所采用了NEG泵选性抽气技术设备,提升了2g流量自动测量最高值; ③对定容室及抽气平台实行了小形化设汁,体积大小小、高质量轻; ④选用分体式式架构,访问量计能够 拆成,方便于随身携带。流量计预计达到的技术指标是:测量范围(10- 4~10- 11)Pa·m3/s,标准不确定度小于10%。
参考文献
[1] 达道安. 真空设计手册[M]. 北京国防工业出版社,2004:1311~1314,98- 132.
[2] McCulloh K E,Tilford C R,Ehrlich C D.Low- rangeflowmeters for use with vacuum and leak standards. [J].J Vac Sci Technol A,1987,5(3):376- 380.
[3] Jousten K, Messer G, Wandrey D A Precision Gas Flowmeter for Vacuum Metrology [J].Vacuum, 1993,44(2):135141.
[4] 李得天. 德国联邦物理技术研究院(PTB)气体微流量计量评介[J]. 真空科学与技术,2003,23(4):289- 294。
[5] H. Ho jo, et al , An Automatic System for Pure Gas Flow- rate Measurements on the 10- 5~10- 2 mbarL/s Range[C]. Proc 7th Intern. Vac. Cogn. 1977: 117.
[6] Calcateli A,Raiteri G,Rumiano G. The IMGC- CNRflow meter for automatic measurements of low- range gas flows[J].Measurement.2003(34)121- 132.
[7] 周起春.中国计量科学研究院真空标准简评[J]. 真空电子技术.1999,(5):26- 32.
[8] 冯焱,成永军,赵定众. 恒压式气体微流量计测控系统的设计[J].真空,2004,(2):37- 41.
[9] 李得天,郭美如,邱家稳,等,分流法超高/ 极高真空校准装置性能研究[J].真空,2007,46(6):1- 6.
[10] 郭美如,李得天,成永军,等. 定容法测量小孔流导的方法研究[J].真空,2006,(2):62- 66.













氦质谱检漏方法是真空体检漏行业里没法紧缺的的一种方法,用这个方法
会按照被检件的检测目地可以将氦质谱检漏措施可以分为俩种类形,有一种是
大容器类检漏技术设备,内部外的方式存水泡法、火烛法、生物制品法、香皂法
前提条件孔状管端小强力气泡形成了的通常理论上, 初探小强力气泡检漏法的方式、液化气泄漏率
用带有卤化(氟、氯、溴、碘)的有机废气有害气体为示漏有机废气有害气体的检漏仪器设备称呼卤化