美国国家标准技术研究院(NIST)的质谱计校准技术
2013-05-23 任国华 兰州空间技术物理研究所
国外对质谱计校准技术的研究工作开展的相对比较早,其中美国的质谱计校准技术是随着航天技术而发展的,从阿波罗计划到火星探测,NASA 在航天器上都搭载了不同的质谱计作为主要测量工具进行了多次探测。同时,美国真空学会在1993 年提出质谱计的四种校准方法,并建立了相应的校准装置。这四种方法分别是直接比对法、压力衰减法、小孔流导法、原位置校准法。真空技术网(//crazyaunt.cn/)就主要分别讲述下这四种校准方法的详细内容。
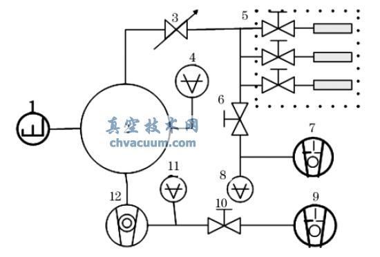
1、直接比对法是将质谱计读数与参考标准规的读数直接进行比对,实现对质谱计的校准,其校准装置的工作原理如图1 所示。

1.分压力质谱计 2.校准室 3.微调阀 4.参考标准规 5.气源 6,10.隔断阀 7,9.机械泵 8,11.热传导规 12.分子泵
所采用个电动阀门有效控制固体联通流量,一个固体走进校正室,所采用基准价值标淮的规估测固体压差,接着和质谱计的读数实施对比校正。基准价值标淮的规推荐英文利用磁悬停定子规和电离规,基于基准价值标淮的规估测的是全压差,其准确度度与固体的种类有关的,会广泛用于一个固体在质谱计和基准价值标淮的规从叠的估测范围之内内实施校正。2、压力衰减法是通过小孔对压力进行衰减,以衰减后的压力作为标准压力进行校准,其工作原理如图2 所示。

3、小孔流导法是以小孔流导产生的压力,作为标准压力进行校准的,原理如图3 所示。小孔流导法相对于直接测量法和压力衰减法来说,系统结构和操作比较复杂,也只能采用单一气体对质谱计进行校准。

4、原位置校准方法是质谱计输出已知气体流率的响应,这种方法要求校准时的抽速与使用时的抽速相同,这种方法在实验室中用的较少,主要用于现场的校准。















用四极质谱计对316L不锈碳钢作的非常高真空系统(XHV) 复位室在烘烤前、
而对diy制作铅直引进式飞机日子质谱仪的所需,综合运用单独号码频段结合
本诗的介绍了MKS集团和INFICON集团的残存废气定性检测仪(RGA)的RS-23