意大利国家计量研究院(IMGC)的质谱计校准技术
2013-05-24 任国华 兰州空间技术物理研究所
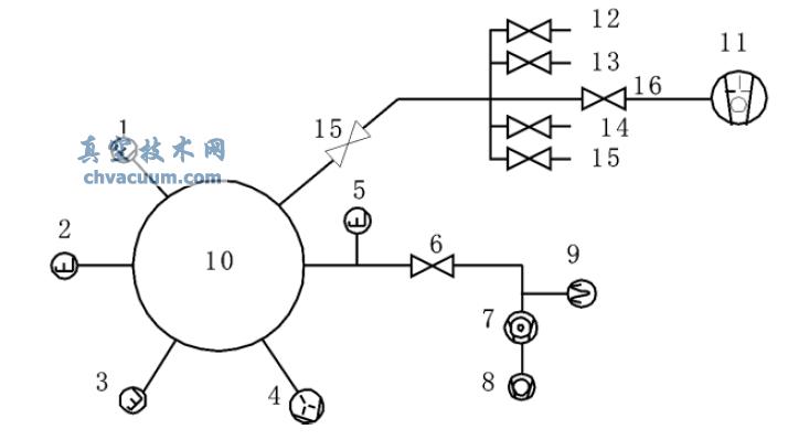
意大利IMGC的这套质谱计校准系统采用比对的方法进行校准,校准系统工作原理如图5 所示,采用四极质谱计之间和四极质谱计与热阴极真空计、冷阴极真空计之间的比对进行校准。从校准的结果来看,实验结果的复现性比较好。
在实验中,真空规、四极质谱计探头要对称的安装在球形不锈钢真空室上,这样可以在相同的条件下测量真空容器的真空度。系统的极限压力是10-8 Pa,测量和校准的范围是1 × 10-4 ~ 5 × 10-7 Pa。

1. 四级质谱计1 2. 四级质谱计2 3. 四级质谱计3 4. 溅射离子泵和非蒸散型吸气剂泵 5. B - A 规 6. 电磁隔断阀 7. 涡轮分子泵 8. 机械泵 9. 皮喇尼规 10. 真空室 11. 机械泵 12. 气源氢气 13. 气源氮气 14. 气源甲烷 15. 气源氩气 16. 电磁隔断阀
四极质谱计的测量灵敏度受使用条件的影响, IMGC 认为主要是离子源剩磁的缘故,此实验对此进行了研究,研究结果表明在比较高的压力范围内( 大于5 × 10 -6 Pa) 剩磁现象对质谱计的影响很小。系统的优点在于可以一次性对多个质谱计进行校准,并且校准的范围比较宽,适用于一般质谱计的校准。考虑到校准过程中质谱计之间可能会相互影响,不建议多个质谱计同时进行校准。















用四极质谱计对316L不锈不锈钢装饰管吗作的相当高负压(XHV) 效正室在烘烤前、
对DlY保持垂直引用式飞机飞行时候质谱仪的需用,运营简单号码规律制成
这篇文章说明了MKS集团单位和INFICON集团单位的的残留物汽体进行分析仪器(RGA)的RS-23