四极质谱计分析与测量系统介绍
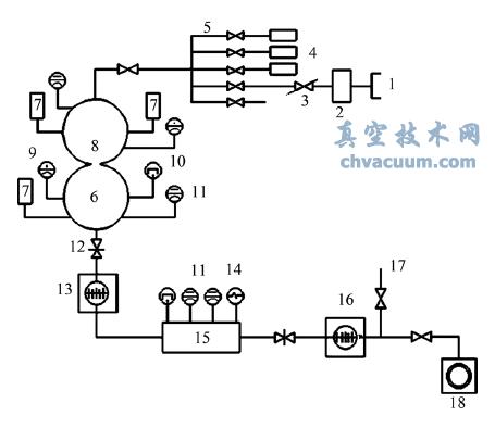
四极质谱分析与测量系统的结构如图1 所示。主要由标准漏孔、供气系统、分析系统、抽气系统和控制保护等几部分组成。

1、D2、N2、He 气源;2、稳压室;3、微调阀;4、10-7、10-8、10-9He 标准漏孔;5、超高真空直角阀; 6、主真空室;7、四极质谱计;8、Φ33 孔;9、B-A 型电离真空计;10、冷阴极型电离真空计; 11宽量程真空计; 12超高真空插板阀;13、1300L·s-1 涡轮分子泵;14、电阻计;15、Φ63×200 真空室;16、70L·s-1 分子泵;17、检漏仪进口;18、3L·s-1 直联泵。
图1 质谱介绍与精确测量系统性机构图1、系统真空室结构
系统真空室采用Φ360mm 的双球形容器,容积为48L。按对称结构设计,由抽气室和分析室两部分组成,材料316L 不锈钢。在分析室与抽气室之间有一个圆孔短管,圆孔的直径33mm,短管长10mm。在分子流20℃的条件下, 圆孔短管对氮气的流导可由下式计算:
C =116A0α (1) 式中,α 为克劳辛因子; A0 为圆洞平数。经计算,圆孔短管对氮气的流导为82L·s-1。圆孔位于双球内割线的位置上,气体从上球室顶部引入,通过挡流板散射进入上球室,气体分子至少与挡流板碰撞一次再进入上球室中,并经过上球室与下球室之间的圆孔被分子泵抽走。这种结构有利于在上球室和下球室中建立起各向同性的分子流状态,保证了压力的动态平衡。上球室有4 个标准CF35 法兰接口和1 个标准CF50 法兰接口,下球室有4 个标准CF35 法兰接口,这些接口位于气体注入口和抽气口所连成的轴线相垂直的不同平面内,为避免规管工作时的相互干扰,接口法兰通过不低于其标准通径弯管或者直管与真空分析室连接,目的是保证测量管道的流导。直管的长度应保证测量规管的电极不暴露在真空分析室内,并使任何两个接口之间的连线不通过球心。系统第二真空室配置于两级分子泵之间采用Φ63mm×200mm 圆柱形结构容积0.62L。第二真空室用以开展相关真空检漏技术研究。
2、抽气系统
抽气系统由主抽分子泵、辅抽分子泵、机械泵、插板阀、阀门和管路等组成。在抽气系统的设计中,为获得较高的本底真空度,采用双级分子泵串联抽气。涡轮分子泵可在真空分析室中获得超高清洁真空,并对各种气体的抽速无明显的选择性[4],选FF-200/1300L·s-1 分子泵(油脂润滑)为主泵,抽速﹥10×82L·s-1(真空分析室限流小孔的流导)。在它的前级接有一个德国普发公司70L·s-1 型分子泵,此分子泵对He D2 等小分子量的气体有较大的压缩比,以便提高管道前级的极限真空。分子泵前配直径Φ63 的手动闸板阀,前级泵为3L·s-1 的直联泵。1300L·s-1 分子泵对20℃空气有效抽速Se 由下式计算:
Se=Sp.C/(Sp+C) 式中, Sp 应以碳原子泵抽速1300L·s-1;C 为管网流导。主抽气管网长82mm、內径Φ200mm,流导C由式(1)运算为 2615L·s1。由式(2)确知,主碳原子泵对20℃空气当中有效率抽速Se 为870L·s-1。3、供气系统
正空废气介绍室的废气进气口分辨怎么安装10-7、10-8、10-9Pa·m3·s-1 的标He 漏孔,标准规范配置2 路气路装置,确认超多正空角阀与正空校正室对接。标漏孔采用漏率校零。气路装置包扩四公里相当的进气气路。源确认稳压室,依靠inficon VDH040-U 稍调节整阀连入介绍室,稍调节整阀能准确抑制送气人流量。4、真空测量
按照其蒸空环境度室进行剖析体系形式,运转的气味的三人组合及有毒气体流动的情形,按蒸空环境度室计的平滑运转的范畴和特征参数,在蒸空环境度室进行剖析室上球室性能高水准蒸空环境度室B-A 规(ZJ-12),中示值蒸空环境度室计(ZJ-27);下球室性能宽示值蒸空环境度室计、B-A 规、冷负极电离蒸空环境度室计;第一蒸空环境度室室性能宽示值蒸空环境度室计,冷负极电离蒸空环境度室计,电阻功率计。热负极电离蒸空环境度室计的的优点是检测的范畴宽,也可以累计检测的,平滑好。冷负极电离蒸空环境度室计都具有精准值高、它可不要被蒸空环境度室酒店内部的无机化学渗透性气味所毒化或损伤、蓄电量长特别。几乎所有蒸空环境度室计有国一级这量值溯源证。上球室CF35 法兰盘上分开 接实验设计用四个维度质谱计是俄罗斯MKS品牌的microvision plus 质谱计,服务质量数范畴为1~6。 该质谱配备有高頻率的rf射频电源线路摸块和一级脱水解析头,于对He 和D2 的分辩。EXTORR XT100质谱计于正空室的残留其他气体常規解析。5、控制保护系统
掌控机整体构建了一小部分抽气机整体的开、已经关机的人工掌控,并设置有人工与人工运行的经营模式转型启闭。作业控制系统配置上选购HMI+PLC 的大众化配合形式,HIM 使用机整体与用户名的两者实行交互设计和新信息交流的媒体。PLC 人工掌控使用澳大利亚OMRON 公司的的可编译程序掌控器,使用来执行思维模式运算、先后掌控、定时任务、计数器与逻辑运算作业等向用户名的的指命,掌控器与PC 机用RS-232串行通信机方法实行大数据交流,完毕对各级党委真空体箱泵、的阀门、真空体箱计、压差,空气压力及环境温度网络信号实行采摘在线精确测量与机掌控及养护。图2 为4级质谱数据分析与在线精确测量机整体运行的方案图。














用四极质谱计对316L冷库保温隔热板的表层质作的较大高压气(XHV) 自校室在烘烤前、
针对于自作保持竖直引进式航行期限质谱仪的都要,利用直接性数字6规律炼制
中心句介绍一下了MKS子集团公司和INFICON子集团公司的的残留物气物深入测试仪(RGA)的RS-23